LEMON Manuals: Even more car manuals for everyone: 1960-2025
Home >> Infiniti >> 2010 >> M35 x >> Repair and Diagnosis >> Engine Performance >> System >> Engine Control System - DTCS P1217 To P2A03 >> DTC P2138: App Sensor >> Wiring Diagram
April 5, 2026: LEMON Manuals is launched! Read the announcement.

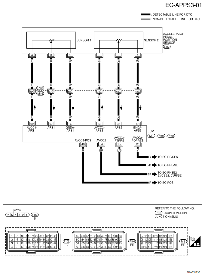
DTC P2138: App Sensor: Wiring Diagram

Fig 1: EC-APPS3-01 - Wiring Diagram
G06306777Courtesy of NISSAN MOTOR CO., U.S.A.