LEMON Manuals: Even more car manuals for everyone: 1960-2025
Home >> Infiniti >> 2010 >> M45 Base >> Repair and Diagnosis (Single Page) >> Engine Performance >> System >> Engine Control System - Component Testing >> VIAS >> Wiring Diagram
April 5, 2026: LEMON Manuals is launched! Read the announcement.

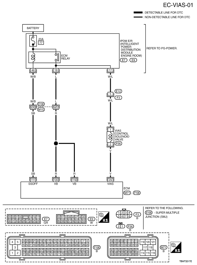
Engine Control System - Component Testing: VIAS: Wiring Diagram

NOTE: For PG-Power, go to POWER SUPPLY, GROUND & CIRCUIT ELEMENTS .
Fig 1: Wiring Diagram - EC-VIAS-01
G06303540Courtesy of NISSAN MOTOR CO., U.S.A.

Specification data are reference values and are measured between each terminal and ground.

CAUTION: Never use ECM ground terminals when measuring input/output voltage. Doing so may result in damage to the ECM's transistor. Use a ground other than ECM terminals, such as the ground.
CONNECTOR TERMINALS REFERENCE CHART

TERMINAL NO. WIRE COLOR ITEM CONDITION DATA (DC Voltage)
29 V VIAS control solenoid valve [Engine is running] 
  • Selector lever position: P or N
0 - 1.0 V
[Engine is running] 
  • Selector lever position: D
  • Engine speed: Below 5, 000 RPM
BATTERY VOLTAGE (11 - 14 V)
[Engine is running] 
  • Engine speed: Above 5, 000 RPM
0 - 1.0 V
111 SB ECM relay (Self shut-off) [Engine is running] 
[Ignition switch: OFF] 
  • For a few seconds after turning ignition switch OFF
0 - 1.5 V
[Ignition switch: OFF] 
  • More than a few seconds after turning ignition switch OFF
BATTERY VOLTAGE (11 - 14 V)
119
120
R
R
Power supply for ECM [Ignition switch: ON]  BATTERY VOLTAGE (11 - 14 V)