LEMON Manuals: Even more car manuals for everyone: 1960-2025
Home >> Infiniti >> 2010 >> M45 Base >> Repair and Diagnosis >> Engine Performance >> System >> Engine Control System - DTCS P0460 To P1421 >> DTC P1217 Engine Over Temperature >> Wiring Diagram
April 5, 2026: LEMON Manuals is launched! Read the announcement.

DTC P1217 Engine Over Temperature: Wiring Diagram

NOTE: For PG-Power, go to POWER SUPPLY, GROUND & CIRCUIT ELEMENTS .
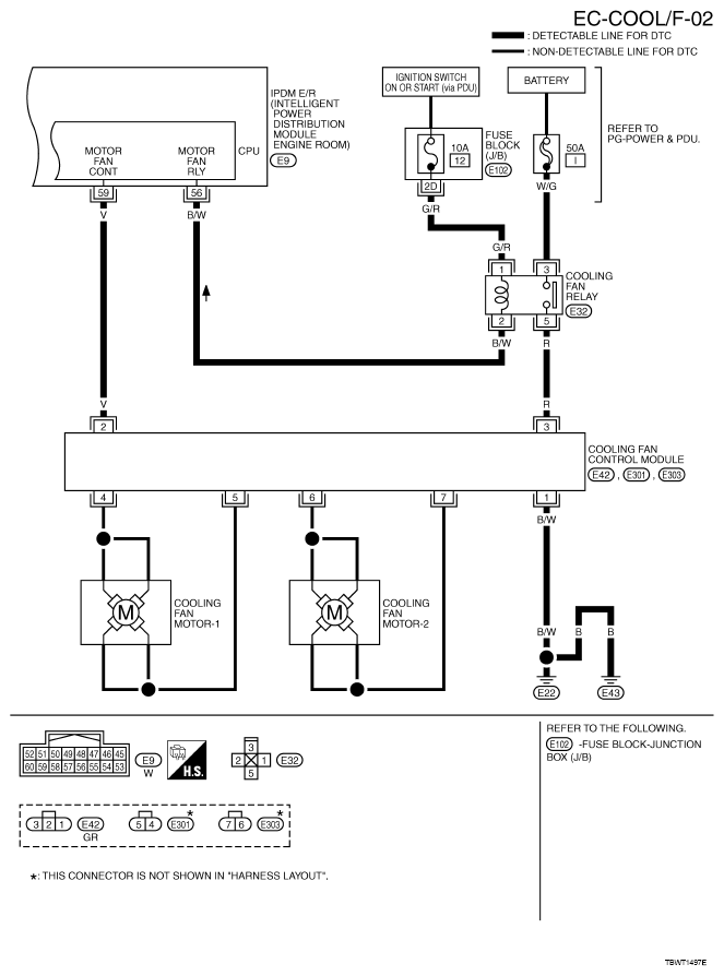
Fig 1: Wiring Diagram - EC-COOL/F-01
G06303314Courtesy of NISSAN MOTOR CO., U.S.A.
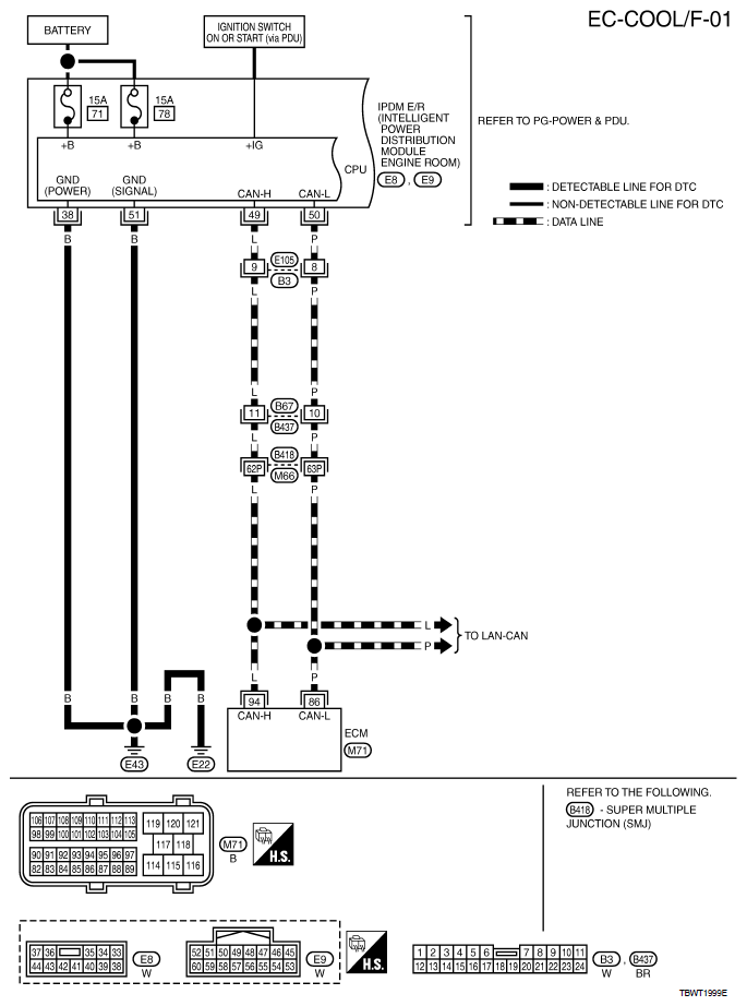
Fig 2: Wiring Diagram - EC-COOL/F-02
G05210903Courtesy of NISSAN MOTOR CO., U.S.A.