LEMON Manuals: Even more car manuals for everyone: 1960-2025
Home >> Infiniti >> 2010 >> M45 Base >> Repair and Diagnosis >> Engine Performance >> System >> Engine Control System - DTCS P1550 To P2A03 >> DTC P1805 Brake Switch >> Wiring Diagram
April 5, 2026: LEMON Manuals is launched! Read the announcement.

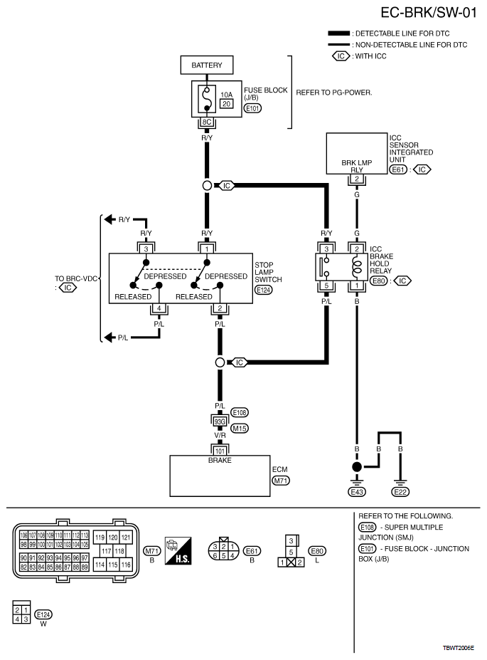
DTC P1805 Brake Switch: Wiring Diagram

NOTE: For PG-Power, go to POWER SUPPLY, GROUND & CIRCUIT ELEMENTS .
Fig 1: Wiring Diagram - EC-BRK/SW-01
G06303406Courtesy of NISSAN MOTOR CO., U.S.A.

Specification data are reference values and are measured between each terminal and ground.

CAUTION: Never use ECM ground terminals when measuring input/output voltage. Doing so may result in damage to the ECM's transistor. Use a ground other than ECM terminals, such as the ground.
CONNECTOR TERMINALS REFERENCE CHART

TERMINAL NO. WIRE COLOR ITEM CONDITION DATA (DC Voltage)
101 V/R Stop lamp switch [Ignition switch: OFF] 
  • Brake pedal: Fully released
Approximately 0 V
[Ignition switch: OFF] 
  • Brake pedal: Slightly depressed
BATTERY VOLTAGE (11 - 14 V)