LEMON Manuals: Even more car manuals for everyone: 1960-2025
Home >> Infiniti >> 2010 >> M45 Base >> Repair and Diagnosis >> Engine Performance >> System >> Engine Control System - Introduction >> Service Information >> Power Supply And Ground Circuit >> Wiring Diagram
April 5, 2026: LEMON Manuals is launched! Read the announcement.

Power Supply And Ground Circuit: Wiring Diagram

NOTE: For PG-Power, go to POWER SUPPLY, GROUND & CIRCUIT ELEMENTS .
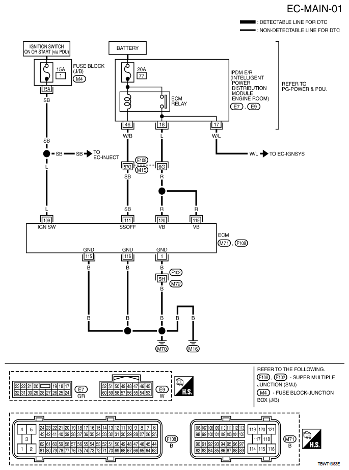
Fig 1: Wiring Diagram - EC-MAIN-01
G06302933Courtesy of NISSAN MOTOR CO., U.S.A.

Specification data are reference values and are measured between each terminal and ground.

CAUTION: Never use ECM ground terminals when measuring input/output voltage. Doing so may result in damage to the ECM's transistor. Use a ground other than ECM terminals, such as the ground.
CONNECTOR TERMINALS REFERENCE CHART

TERMINAL NO. WIRE COLOR ITEM CONDITION DATA (DC Voltage)
1 B ECM ground [Engine is running] 
  • Idle speed
Body ground
109 L Ignition switch [Ignition switch: OFF]  0 V
[Ignition switch: ON]  BATTERY VOLTAGE (11 - 14 V)
111 SB ECM relay (Self shut-off) [Engine is running] 
[Ignition switch: OFF] 
  • For a few seconds after turning ignition switch OFF
0 - 1.5 V
[Ignition switch: OFF] 
  • More than a few seconds after turning ignition switch OFF
BATTERY VOLTAGE (11 - 14 V)
115
116
B
B
ECM ground [Engine is running] 
  • Idle speed
Body ground
119
120
R
R
Power supply for ECM [Ignition switch: ON]  BATTERY VOLTAGE (11 - 14 V)