LEMON Manuals: Even more car manuals for everyone: 1960-2025
Home >> Infiniti >> 2010 >> M45 Base >> Repair and Diagnosis >> External Pages >> Different car >> Section 157 (Brake Control) >> Vehicle Stability Control System >> System Description
April 5, 2026: LEMON Manuals is launched! Read the announcement.

System Description

WARNING: This page is about a different car, the 2008 Toyota Tundra. However, it is still accessible from the selected car via links, so may be relevant.
  1. SYSTEM DESCRIPTION 

    HINT:

    The skid control ECU is built into the VSC actuator.

    1. ABS (Anti-lock Brake System)

      The ABS helps prevent the wheels from locking when the brakes are applied firmly or on a slippery surface.

      Fig 1: Identifying ABS - System Diagram
      G05159715Courtesy of © TOYOTA, LICENSE AGREEMENT TMS1002
      1. Operation description

        The skid control ECU detects wheel lock conditions by receiving vehicle speed signals from each speed sensor, and sends control signals to the pump motor and solenoid valve to prevent the wheels from locking by controlling the brake fluid pressure of each wheel cylinder. The ABS warning light comes on when the ABS system malfunctions.

    2. EBD (Electronic Brake Force Distribution)

      The EBD control utilizes the ABS, performing proper brake force distribution between the front and rear wheels in accordance with the driving conditions. When the brakes are applied while cornering, it also controls the braking forces of the rear right and rear left wheels, helping to maintain vehicle stability.

      Fig 2: Identifying Electronic Brake Force Distribution - System Diagram
      G05159716Courtesy of © TOYOTA, LICENSE AGREEMENT TMS1002
      1. Operation description

        The skid control ECU receives speed signals from each speed sensor to detect the slip conditions of the wheels and sends control signals to the solenoid.

        The solenoid valve controls the brake fluid pressure of each wheel cylinder, and divides the control power properly between the front and rear wheels and the rear right and rear left wheels.

        The BRAKE warning light comes on to indicate malfunctions in the EBD system.

    3. BA (Brake Assist)

      The primary purpose of the brake assist system is to provide auxiliary brake force to assist drivers who cannot generate a brake force large enough during emergency braking, thus helping to maximize the vehicle's braking performance.

      Fig 3: Identifying Brake Assist - System Diagram
      G05159717Courtesy of © TOYOTA, LICENSE AGREEMENT TMS1002
      1. Operation description

        The skid control ECU receives speed signals from each speed sensor and the fluid pressure signal from the master cylinder pressure sensor to determine whether brake assist is necessary. If brake assist is deemed necessary, the skid control ECU sends control signals to the pump motor and solenoid. The pump and the solenoid valve then control the pressure applied to each wheel cylinder. The ABS warning light comes on to indicate malfunctions in the BA system.

    4. Changing of TRAC, AUTO LSD and VSC operation permission/disablement through VSC OFF switch
      1. Changing modes

        Through the VSC OFF switch, the vehicle can be changed to normal mode, TRAC OFF mode, AUTO LSD mode and VSC OFF mode.

        Fig 4: Identifying VSC Off Switch
        G05159718Courtesy of © TOYOTA, LICENSE AGREEMENT TMS1002
        Fig 5: Identifying VSC Operation Diagram
        G05686594Courtesy of © TOYOTA, LICENSE AGREEMENT TMS1002

        2WD vehicles and 4WD vehicles in 2H mode 

        CONTROL MODE INDICATOR LIGHT TABLE

        Control Mode Indicator Light
        Slip Indicator Light AUTO LSD Indicator Light VSC OFF Indicator Light
        Normal mode - - -
        TRAC OFF mode -
        AUTO LSD mode
        VSC OFF mode -
        HINT:
        • ◦: Illuminated
        • -: Not illuminated
        Fig 6: Identifying VSC Switch Communication Diagram
        G05686595Courtesy of © TOYOTA, LICENSE AGREEMENT TMS1002

        4WD vehicles in 4H and 4L mode 

        CONTROL MODE INDICATOR LIGHT TABLE

        Control Mode Indicator Light
        Slip Indicator Light VSC OFF Indicator Light
        Normal mode -
        VSC OFF mode
        HINT:
        • ◦: Illuminated
        • -: Not illuminated
      2. Drive mode and each function
        DRIVE MODE AND FUNCTION TABLE

        Drive Mode VSC OFF Switch Brake Control
        ABS EBD BA TRAC A-TRAC AUTO LSD VSC
        2WD vehicles and 4WD vehicles in 2H mode Normal mode - -
        TRAC OFF mode - -
        AUTO LSD mode - - -
        VSC OFF mode - - - -
        4WD vehicles in 4H and 4L mode Normal mode - - -
        VSC OFF mode - - - -
        HINT:
        • ◦: Operates
        • -: Does not operate
    5. TRAC (Traction Control) (for 2WD vehicles or 4WD vehicles in 2H mode)

      The TRAC system helps prevent the drive wheels from slipping if the driver presses down on the accelerator pedal excessively when starting off or accelerating on a slippery surface.

      Fig 7: Identifying Traction Control - System Diagram
      G05649478Courtesy of © TOYOTA, LICENSE AGREEMENT TMS1002
      1. Operation description

        The skid control ECU detects the vehicle's slip condition by receiving signals from each speed sensor and the ECM via CAN communication. The skid control ECU controls engine torque with the ECM via CAN communication and brake fluid pressure through the pump and solenoid valve. The SLIP indicator light blinks when the system is operating. The VSC OFF indicator light blinks and the SLIP indicator light comes on when the TRAC system malfunctions.

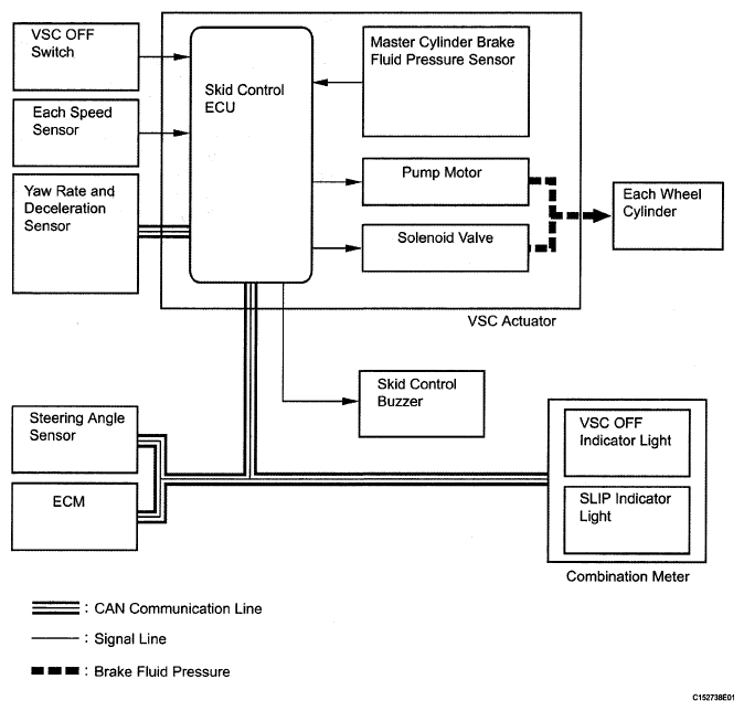
    6. VSC (Vehicle Stability Control) (for 2WD vehicles or 4WD vehicles in 2WD mode)

      The VSC system helps prevent the vehicle from slipping sideways when front or rear wheel skidding occurs while cornering.

      Fig 8: Identifying Vehicle Stability Control - System Diagram
      G05159720Courtesy of © TOYOTA, LICENSE AGREEMENT TMS1002
      1. Operation description

        The skid control ECU determines the vehicle condition by receiving signals from the speed sensor, yaw rate and deceleration sensor and steering angle sensor. The skid control ECU controls driving torque with the ECM via CAN communication, and brake fluid pressure with the solenoid valve.

        The SLIP indicator light blinks and the skid control buzzer sounds when the system is operating. When there is a malfunction in the VSC system, the VSC OFF indicator light blinks and the SLIP indicator light comes on. The VSC OFF switch stops VSC operation.

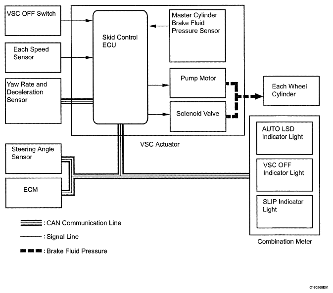
    7. A-TRAC (Active Traction Control) (for 4WD)

      During rugged off-road driving, this function controls the engine output and the brake fluid pressure that is applied to the slipping wheel and distributes the drive force that would have been lost through the slippage to the remaining wheels in order to achieve an LSD (Limited Slip Differential) effect.

      HINT:

      The A-TRAC system operates when the 4WD control switch is set to 4L or 4H (4WD vehicles only).

      Fig 9: Identifying Active Traction Control - System Diagram
      G05159721Courtesy of © TOYOTA, LICENSE AGREEMENT TMS1002
      1. Operation description

        The SLIP indicator light blinks when the system is operating. The VSC OFF indicator light blinks and the SLIP indicator light comes on to indicate a malfunction in the A-TRAC system.

    8. AUTO LSD (Auto Limited Slip Differential) For 2WD vehicles and 4WD vehicles in 2H mode, the AUTO LSD will operate with the VSC OFF switch on (approximately 1 second) and the accelerator pedal depressed.

      The AUTO LSD system is used to restrain brake pressure and reduce differential movement, thus transmitting drive torque to the other drive wheel to ensure startability under the following conditions:

      • Wheels run off the road.
      • Drive wheels slip when starting on a slope with one wheel on snow/ice.

      HINT:

      Depressing the brake pedal cancels control of the AUTO LSD system.

      Fig 10: Identifying AUTO LSD - System Diagram
      G05159722Courtesy of © TOYOTA, LICENSE AGREEMENT TMS1002
      1. Operation description

        The SLIP indicator light blinks and the AUTO LSD indicator light comes on when the system is operating.

        The VSC OFF indicator light blinks and the SLIP indicator light comes on to indicate a malfunction in the AUTO LSD system.

        When the vehicle is in normal mode and the VSC OFF switch is pressed for 3 seconds or more, AUTO LSD operation becomes possible. During AUTO LSD mode, the combination meter's AUTO LSD indicator light and SLIP indicator light illuminate, and TRAC operation is disabled.

        When the vehicle speed is more than 50 km/h (31 mph), the vehicle automatically returns to normal mode. When the vehicle speed is 50 km/h (31 mph) or less, the vehicle returns to AUTO LSD mode.

  2. ABS with EBD, BA, TRAC and VSC OPERATION 
    1. The skid control ECU calculates vehicle stability tendency based on the signals from the 4 wheel speed sensors, the yaw rate and deceleration sensor and the steering angle sensor. In addition, it evaluates the results of the calculations to determine whether any control actions (control of the engine output torque by electronic throttle control and of the brake fluid pressure by the VSC actuator) should be implemented.
    2. The SLIP indicator blinks and the skid control buzzer sounds to inform the driver that the VSC system is operating. The SLIP indicator also blinks when traction control is operating, and the operation being performed is displayed.
  3. FAIL-SAFE FUNCTION 
    1. When a failure occurs in the ABS with BA, TRAC and VSC systems, the ABS warning light comes on and/or the VSC OFF indicator lights blinks and the SLIP indicator light comes on, and the operation of those systems is prohibited. In addition to this, when a failure which disables the EBD operation occurs, the brake warning light comes on and its operation is prohibited.
    2. If control is prohibited due to a malfunction during operation, control is disabled gradually to avoid sudden vehicle instability.
  4. INITIAL CHECK 
    1. When the vehicle speed first reaches approximately 23 km/h (14 mph) or more after the ignition switch is turned ON, each solenoid valve and the motor of the VSC actuator are sequentially activated to perform electrical checks. During the initial check, the operating sound of the motor can be heard from the engine compartment, but this does not indicate a malfunction.
  5. FUNCTION OF COMPONENTS 
    FUNCTION OF COMPONENTS

    Components Functions
    Front speed sensor (Semiconductor speed sensor, magnetic sensor rotor)
    • Detects the wheel speed and sends a signal to the skid control ECU.
    • The magnetic sensor rotor is equipped with north and south poles (48 poles each), which are evenly spaced around its circumference.
    • The magnetic field changes as the magnetic sensor rotor rotates. The semiconductor speed sensor detects the change and outputs it as the vehicle speed pulse.
    Rear control sensor (Semiconductor speed sensor, magnetic sensor rotor)
    • The skid control sensor (semiconductor speed sensor) and the sensor rotor (magnetic sensor rotor) are installed on the rear axle carrier.
    • The skid control sensor has the same structure and functions as the front speed sensor.
    Skid control ECU (Housed in VSC actuator)
    • Processes the signals from each sensor to control the ABS, BA, TRAC, and VSC.
    • Sends and receives control signals to and from the ECM, yaw rate and deceleration sensor, steering angle sensor, etc. via CAN communication.
    VSC actuator
    • Consists of the master cylinder cut solenoid valve, holding solenoid valve, pressure reduction solenoid valve, pump motor, and reservoir, and adjusts the brake fluid pressure applied to each wheel cylinder.
    • Houses the skid control ECU.
    Motor relay
    • Supplies power source to the pump motor.
    • Housed in the skid control ECU.
    Solenoid relay
    • Supplies power to each solenoid.
    • Housed in the skid control ECU.
    Steering angle sensor
    • Detects the steering extent and direction and sends signals to the skid control ECU via CAN communication.
    • Has a magnetic resistance element which detects the rotation of the magnet housed in the detection gear in order to detect the changes in magnetic resistance and the steering amount and direction.
    Yaw rate and deceleration sensor
    • Yaw rate sensor detects the vehicle's angular velocity (yaw rate) in the vertical direction based on the extent and direction of the quartz tuning fork due to the Coriolis force.
    • Deceleration sensor measures the capacity of the condenser that changes with the distance between the electrodes depending on G force, which occurs when the vehicle is accelerated, and converts the measured value into electrical signals.
    • Sends signals to the skid control ECU via CAN communication.
    Master cylinder brake fluid pressure sensor
    • Detects the brake fluid pressure in the master cylinder.
    • Housed in the VSC actuator.
    ECM Controls the engine output when TRAC and VSC are operating with the skid control ECU via CAN communication.
    VSC OFF indicator light
    • Blinks to inform the driver that a malfunction in the VSC system has occurred.
    • Blinks to indicate DTCs that relate to the VSC.
    VSC OFF switch For 2WD vehicles or 4WD vehicles in 2H mode: Operation of the VSC OFF switch changes the vehicle from normal mode to TRAC OFF mode to AUTO LSD mode to VSC OFF mode.
    For 4WD vehicles in 4H or 4L mode: Operation of the VSC OFF switch changes the vehicle from normal mode to VSC OFF mode.
    ABS warning light
    • Illuminates to inform the driver that a malfunction in the ABS has occurred.
    • Blinks to indicate DTCs that relate to the ABS. (VSC warning light and SLIP indicator light illuminate at same time.)
    BRAKE warning light
    • Illuminates to inform the driver that the parking brake is ON when the system is normal, and when the amount of brake fluid has decreased.
    • Illuminates to inform the driver that a malfunction in the EBD has occurred.
    SLIP indicator light
    • Blinks to inform the driver that TRAC, VSC or AUTO LSD is operating.
    • Illuminates to inform the driver that a malfunction has occurred in the TRAC or VSC system.
    Skid control buzzer Intermittently sounds to inform the driver that the VSC is operating.
    Stop light control relay (BRK NO. 1 and BRK NO. 2) Controls stop light illumination according to the signal from the skid control ECU.