LEMON Manuals: Even more car manuals for everyone: 1960-2025
Home >> Infiniti >> 2011 >> EX35 Base, AWD >> Repair and Diagnosis (Single Page) >> External Pages >> Different car >> Section 32 (Security Control System) >> Component Diagnosis >> Intelligent Key System/Engine Start Function >> Wiring Diagram - INTELLIGENT KEY SYSTEM/ENGINE START FUNCTION
April 5, 2026: LEMON Manuals is launched! Read the announcement.

Wiring Diagram - INTELLIGENT KEY SYSTEM/ENGINE START FUNCTION

WARNING: This page is about a different car, the 2008 Infiniti EX35. However, it is still accessible from the selected car via links, so may be relevant.
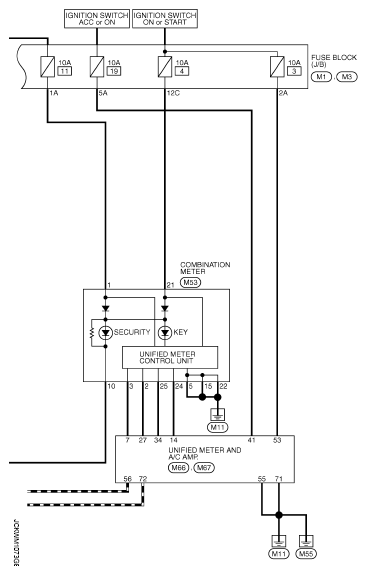
Fig 1: Identifying Intelligent Key System/Engine Start Function - Wiring Diagram (1 Of 3)
G05728388Courtesy of NISSAN MOTOR CO., U.S.A.
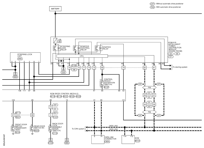
Fig 2: Identifying Intelligent Key System/Engine Start Function - Wiring Diagram (2 Of 3)
G05728389Courtesy of NISSAN MOTOR CO., U.S.A.
Fig 3: Identifying Intelligent Key System/Engine Start Function - Wiring Diagram (3 Of 3)
G05728390Courtesy of NISSAN MOTOR CO., U.S.A.
Fig 4: Identifying Intelligent Key System Connector Terminals (1 Of 6)
G05728391Courtesy of NISSAN MOTOR CO., U.S.A.
Fig 5: Identifying Intelligent Key System Connector Terminals (2 Of 6)
G05728392Courtesy of NISSAN MOTOR CO., U.S.A.
Fig 6: Identifying Intelligent Key System Connector Terminals (3 Of 6)
G05728393Courtesy of NISSAN MOTOR CO., U.S.A.
Fig 7: Identifying Intelligent Key System Connector Terminals (4 Of 6)
G05728394Courtesy of NISSAN MOTOR CO., U.S.A.
Fig 8: Identifying Intelligent Key System Connector Terminals (5 Of 6)
G05728395Courtesy of NISSAN MOTOR CO., U.S.A.
Fig 9: Identifying Intelligent Key System Connector Terminals (6 Of 6)
G05728396Courtesy of NISSAN MOTOR CO., U.S.A.