LEMON Manuals: Even more car manuals for everyone: 1960-2025
Home >> Infiniti >> 2011 >> EX35 Base, RWD >> Repair and Diagnosis (Single Page) >> External Pages >> Different car >> Section 87 (Security Control System (CROSSCABRIOLET)) >> Wiring Diagram >> Intelligent Key System/Engine Start Function >> Wiring Diagram
April 5, 2026: LEMON Manuals is launched! Read the announcement.

Intelligent Key System/Engine Start Function: Wiring Diagram

WARNING: This page is about a different car, the 2011 Nissan Murano. However, it is still accessible from the selected car via links, so may be relevant.
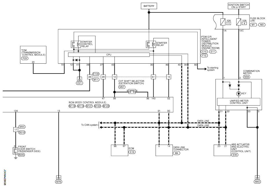
Fig 1: Intelligent Key System/Engine Start Function - Wiring Diagram (1 Of 2)
G07133734Courtesy of NISSAN MOTOR CO., U.S.A.
Fig 2: Intelligent Key System/Engine Start Function - Wiring Diagram (2 Of 2)
G07133735Courtesy of NISSAN MOTOR CO., U.S.A.
Fig 3: Identifying Intelligent Key System/Engine Start Function Connectors (1 Of 8)
G07133736Courtesy of NISSAN MOTOR CO., U.S.A.
Fig 4: Identifying Intelligent Key System/Engine Start Function Connectors (2 Of 8)
G07133737Courtesy of NISSAN MOTOR CO., U.S.A.
Fig 5: Identifying Intelligent Key System/Engine Start Function Connectors (3 Of 8)
G07133738Courtesy of NISSAN MOTOR CO., U.S.A.
Fig 6: Identifying Intelligent Key System/Engine Start Function Connectors (4 Of 8)
G07133739Courtesy of NISSAN MOTOR CO., U.S.A.
Fig 7: Identifying Intelligent Key System/Engine Start Function Connectors (5 Of 8)
G07133740Courtesy of NISSAN MOTOR CO., U.S.A.
Fig 8: Identifying Intelligent Key System/Engine Start Function Connectors (6 Of 8)
G07133741Courtesy of NISSAN MOTOR CO., U.S.A.
Fig 9: Identifying Intelligent Key System/Engine Start Function Connectors (7 Of 8)
G07133742Courtesy of NISSAN MOTOR CO., U.S.A.
Fig 10: Identifying Intelligent Key System/Engine Start Function Connectors (8 Of 8)
G07133743Courtesy of NISSAN MOTOR CO., U.S.A.