LEMON Manuals: Even more car manuals for everyone: 1960-2025
Home >> Infiniti >> 2011 >> EX35 Base, RWD >> Repair and Diagnosis (Single Page) >> Transmission >> Automatic Transaxle >> Unit Disassembly And Assembly >> Transmission Assembly >> Exploded View >> 2WD Models
April 5, 2026: LEMON Manuals is launched! Read the announcement.

2WD Models

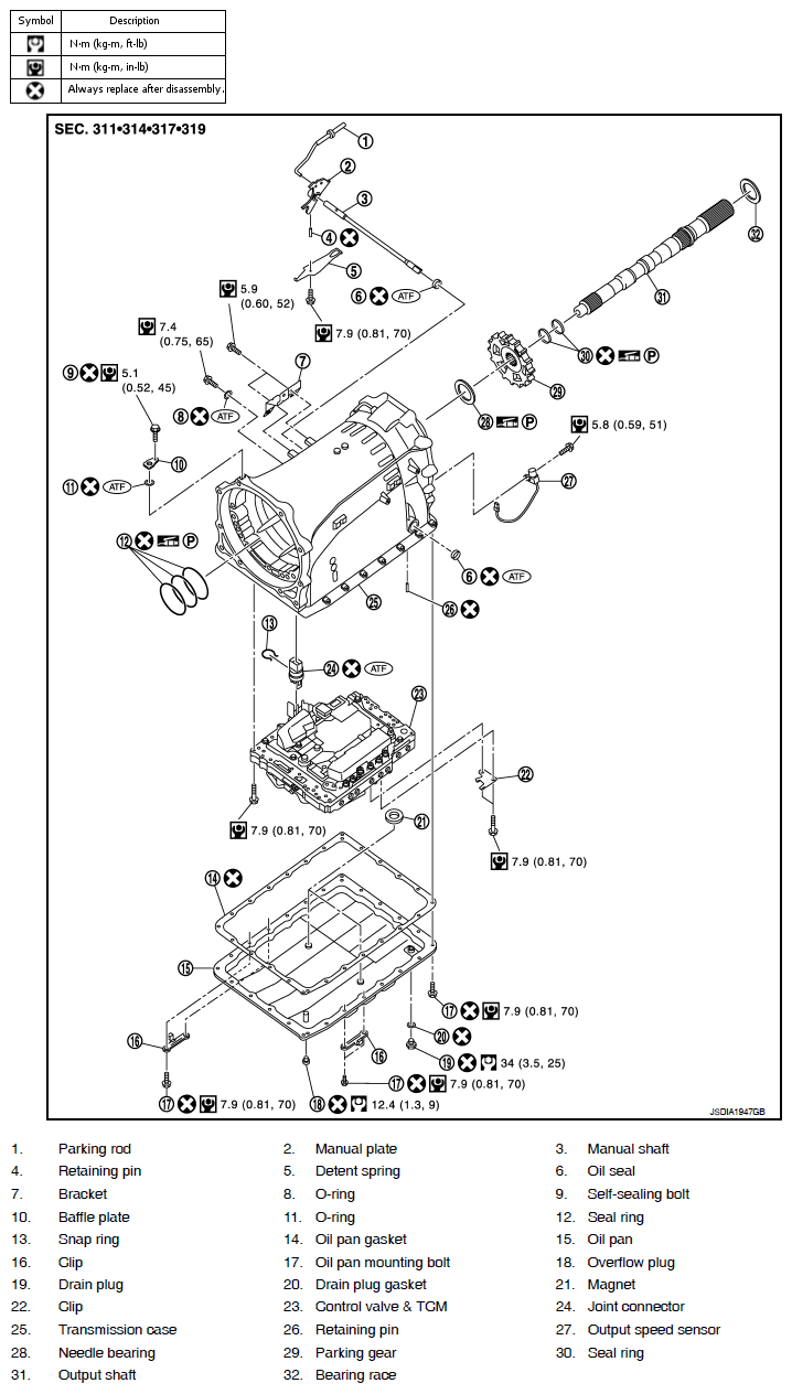
Fig 1: Transmission Assembly Replacement Components With Torque Specifications (2WD)
G07165384Courtesy of NISSAN MOTOR CO., U.S.A.

Refer to "COMPONENTS " for symbols not described on the above.

Fig 2: Identifying Transmission Assembly Components (Type 1)
G07165385Courtesy of NISSAN MOTOR CO., U.S.A.

Refer to "COMPONENTS " for symbols in the figure.

Fig 3: Identifying Transmission Assembly Components (Type 2)
G07165386Courtesy of NISSAN MOTOR CO., U.S.A.

Refer to "COMPONENTS " for symbols in the figure.

Fig 4: Identifying Transmission Assembly Components (Type 1)
G07165387Courtesy of NISSAN MOTOR CO., U.S.A.

Refer to "COMPONENTS " for symbols in the figure.

Fig 5: Identifying Transmission Assembly Components (Type 2)
G07165388Courtesy of NISSAN MOTOR CO., U.S.A.

Refer to "COMPONENTS " for symbols in the figure.

Fig 6: Transmission Assembly Replacement Components With Torque Specifications (1 Of 2)
G07165389Courtesy of NISSAN MOTOR CO., U.S.A.

Refer to "COMPONENTS " for symbols in the figure.

Fig 7: Transmission Assembly Replacement Components With Torque Specifications (2 Of 2)
G07165390Courtesy of NISSAN MOTOR CO., U.S.A.

Refer to "COMPONENTS " for symbols in the figure.