LEMON Manuals: Even more car manuals for everyone: 1960-2025
Home >> Infiniti >> 2011 >> G37 Base, 2D Convertible >> Repair and Diagnosis >> External Pages >> Different variant/trim >> Section 33 (Security Control System -- G25/G37 Sedan) >> DTC/Circuit Diagnosis >> Intelligent Key System/Engine Start Function >> Wiring Diagram - INTELLIGENT KEY SYSTEM/ENGINE START FUNCTION -
April 5, 2026: LEMON Manuals is launched! Read the announcement.

Wiring Diagram - INTELLIGENT KEY SYSTEM/ENGINE START FUNCTION -

WARNING: This page is about a different variant/trim than selected.
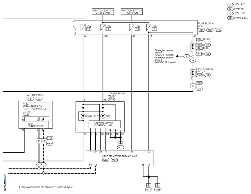
Fig 1: Intelligent Key System/Engine Start Function - Wiring Diagram (1 Of 3)
G07015319Courtesy of NISSAN MOTOR CO., U.S.A.
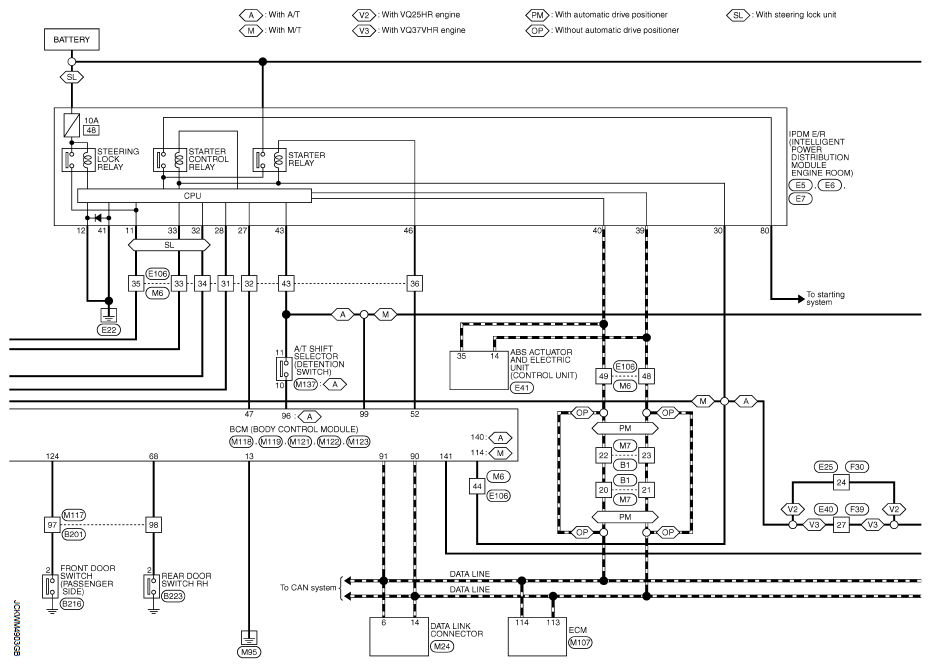
Fig 2: Intelligent Key System/Engine Start Function - Wiring Diagram (2 Of 3)
G07015320Courtesy of NISSAN MOTOR CO., U.S.A.
Fig 3: Intelligent Key System/Engine Start Function - Wiring Diagram (3 Of 3)
G07015321Courtesy of NISSAN MOTOR CO., U.S.A.
Fig 4: Identifying Intelligent Key System/Engine Start Function Connectors (1 Of 10)
G07015322Courtesy of NISSAN MOTOR CO., U.S.A.
Fig 5: Identifying Intelligent Key System/Engine Start Function Connectors (2 Of 10)
G07015323Courtesy of NISSAN MOTOR CO., U.S.A.
Fig 6: Identifying Intelligent Key System/Engine Start Function Connectors (3 Of 10)
G07015324Courtesy of NISSAN MOTOR CO., U.S.A.
Fig 7: Identifying Intelligent Key System/Engine Start Function Connectors (4 Of 10)
G07015325Courtesy of NISSAN MOTOR CO., U.S.A.
Fig 8: Identifying Intelligent Key System/Engine Start Function Connectors (5 Of 10)
G07015326Courtesy of NISSAN MOTOR CO., U.S.A.
Fig 9: Identifying Intelligent Key System/Engine Start Function Connectors (6 Of 10)
G07015327Courtesy of NISSAN MOTOR CO., U.S.A.
Fig 10: Identifying Intelligent Key System/Engine Start Function Connectors (7 Of 10)
G07015328Courtesy of NISSAN MOTOR CO., U.S.A.
Fig 11: Identifying Intelligent Key System/Engine Start Function Connectors (8 Of 10)
G07015329Courtesy of NISSAN MOTOR CO., U.S.A.
Fig 12: Identifying Intelligent Key System/Engine Start Function Connectors (9 Of 10)
G07015330Courtesy of NISSAN MOTOR CO., U.S.A.
Fig 13: Identifying Intelligent Key System/Engine Start Function Connectors (10 Of 10)
G07015331Courtesy of NISSAN MOTOR CO., U.S.A.