LEMON Manuals: Even more car manuals for everyone: 1960-2025
Home >> Infiniti >> 2011 >> G37 IPL, Automatic >> Repair and Diagnosis (Single Page) >> Accessories & Equipment >> Anti-Theft Systems >> Security Control System -- G37 Coupe >> DTC/Circuit Diagnosis >> Intelligent Key System/Engine Start Function >> Wiring Diagram - INTELLIGENT KEY SYSTEM/ENGINE START FUNCTION -
April 5, 2026: LEMON Manuals is launched! Read the announcement.

Wiring Diagram - INTELLIGENT KEY SYSTEM/ENGINE START FUNCTION -

Fig 1: Intelligent Key System/Engine Start Function - Wiring Diagram (1 Of 3)
G07169624Courtesy of NISSAN MOTOR CO., U.S.A.
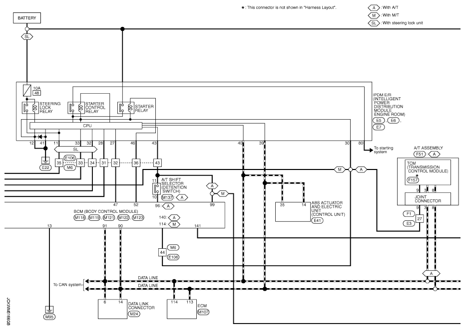
Fig 2: Intelligent Key System/Engine Start Function - Wiring Diagram (2 Of 3)
G07169625Courtesy of NISSAN MOTOR CO., U.S.A.
Fig 3: Intelligent Key System/Engine Start Function - Wiring Diagram (3 Of 3)
G07169626Courtesy of NISSAN MOTOR CO., U.S.A.
Fig 4: Identifying Intelligent Key System/Engine Start Function Connectors Terminal Identification (1 Of 8)
G07169627Courtesy of NISSAN MOTOR CO., U.S.A.
Fig 5: Identifying Intelligent Key System/Engine Start Function Connectors Terminal Identification (2 Of 8)
G07169628Courtesy of NISSAN MOTOR CO., U.S.A.
Fig 6: Identifying Intelligent Key System/Engine Start Function Connectors Terminal Identification (3 Of 8)
G07169629Courtesy of NISSAN MOTOR CO., U.S.A.
Fig 7: Identifying Intelligent Key System/Engine Start Function Connectors Terminal Identification (4 Of 8)
G07169630Courtesy of NISSAN MOTOR CO., U.S.A.
Fig 8: Identifying Intelligent Key System/Engine Start Function Connectors Terminal Identification (5 Of 8)
G07169631Courtesy of NISSAN MOTOR CO., U.S.A.
Fig 9: Identifying Intelligent Key System/Engine Start Function Connectors Terminal Identification (6 Of 8)
G07169632Courtesy of NISSAN MOTOR CO., U.S.A.
Fig 10: Identifying Intelligent Key System/Engine Start Function Connectors Terminal Identification (7 Of 8)
G07169633Courtesy of NISSAN MOTOR CO., U.S.A.
Fig 11: Identifying Intelligent Key System/Engine Start Function Connectors Terminal Identification (8 Of 8)
G07169634Courtesy of NISSAN MOTOR CO., U.S.A.