LEMON Manuals: Even more car manuals for everyone: 1960-2025
Home >> Infiniti >> 2011 >> G37 IPL, Standard >> Repair and Diagnosis >> External Pages >> Different variant/trim >> Section 30 (Security Control System -- G37 Convertible) >> DTC/Circuit Diagnosis >> Intelligent Key System/Engine Start Function >> Wiring Diagram - INTELLIGENT KEY SYSTEM/ENGINE START FUNCTION -
April 5, 2026: LEMON Manuals is launched! Read the announcement.

Wiring Diagram - INTELLIGENT KEY SYSTEM/ENGINE START FUNCTION -

WARNING: This page is about a different variant/trim than selected.
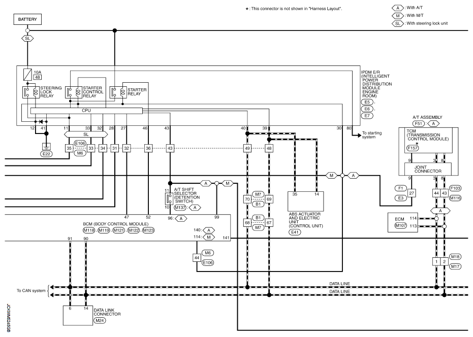
Fig 1: Intelligent Key System/Engine Start Function Wiring Diagram (1 Of 3)
G07158633Courtesy of NISSAN MOTOR CO., U.S.A.
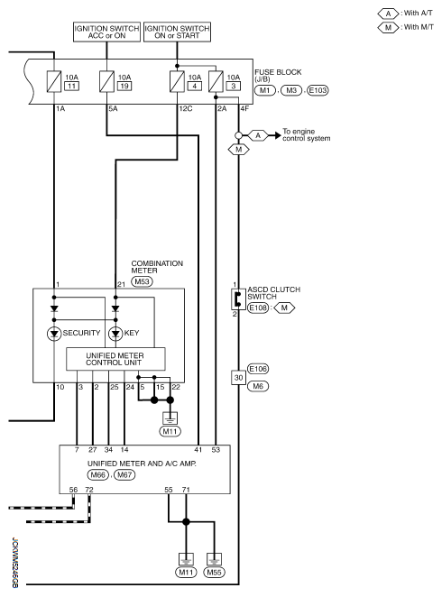
Fig 2: Intelligent Key System/Engine Start Function Wiring Diagram (2 Of 3)
G07158634Courtesy of NISSAN MOTOR CO., U.S.A.
Fig 3: Intelligent Key System/Engine Start Function Wiring Diagram (3 Of 3)
G07158635Courtesy of NISSAN MOTOR CO., U.S.A.
Fig 4: Intelligent Key System/Engine Start Function Connector End Views (1 Of 9)
G07158636Courtesy of NISSAN MOTOR CO., U.S.A.
Fig 5: Intelligent Key System/Engine Start Function Connector End Views (2 Of 9)
G07158637Courtesy of NISSAN MOTOR CO., U.S.A.
Fig 6: Intelligent Key System/Engine Start Function Connector End Views (3 Of 9)
G07158638Courtesy of NISSAN MOTOR CO., U.S.A.
Fig 7: Intelligent Key System/Engine Start Function Connector End Views (4 Of 9)
G07158639Courtesy of NISSAN MOTOR CO., U.S.A.
Fig 8: Intelligent Key System/Engine Start Function Connector End Views (5 Of 9)
G07158640Courtesy of NISSAN MOTOR CO., U.S.A.
Fig 9: Intelligent Key System/Engine Start Function Connector End Views (6 Of 9)
G07158641Courtesy of NISSAN MOTOR CO., U.S.A.
Fig 10: Intelligent Key System/Engine Start Function Connector End Views (7 Of 9)
G07158642Courtesy of NISSAN MOTOR CO., U.S.A.
Fig 11: Intelligent Key System/Engine Start Function Connector End Views (8 Of 9)
G07158643Courtesy of NISSAN MOTOR CO., U.S.A.
Fig 12: Intelligent Key System/Engine Start Function Connector End Views (9 Of 9)
G07158644Courtesy of NISSAN MOTOR CO., U.S.A.