LEMON Manuals: Even more car manuals for everyone: 1960-2025
Home >> Infiniti >> 2011 >> M37 Base >> Repair and Diagnosis >> External Pages >> Different car >> Section 287 (Engine Control System - Introduction) >> Wiring Diagram >> Engine Control System >> Wiring Diagram
April 5, 2026: LEMON Manuals is launched! Read the announcement.

Engine Control System: Wiring Diagram

WARNING: This page is about a different car, the 2012 Infiniti QX56. However, it is still accessible from the selected car via links, so may be relevant.

For connector terminal arrangements, harness layouts, and alphabets in a (option abbreviation; if not described in wiring diagram), refer to "CONNECTOR INFORMATION ".

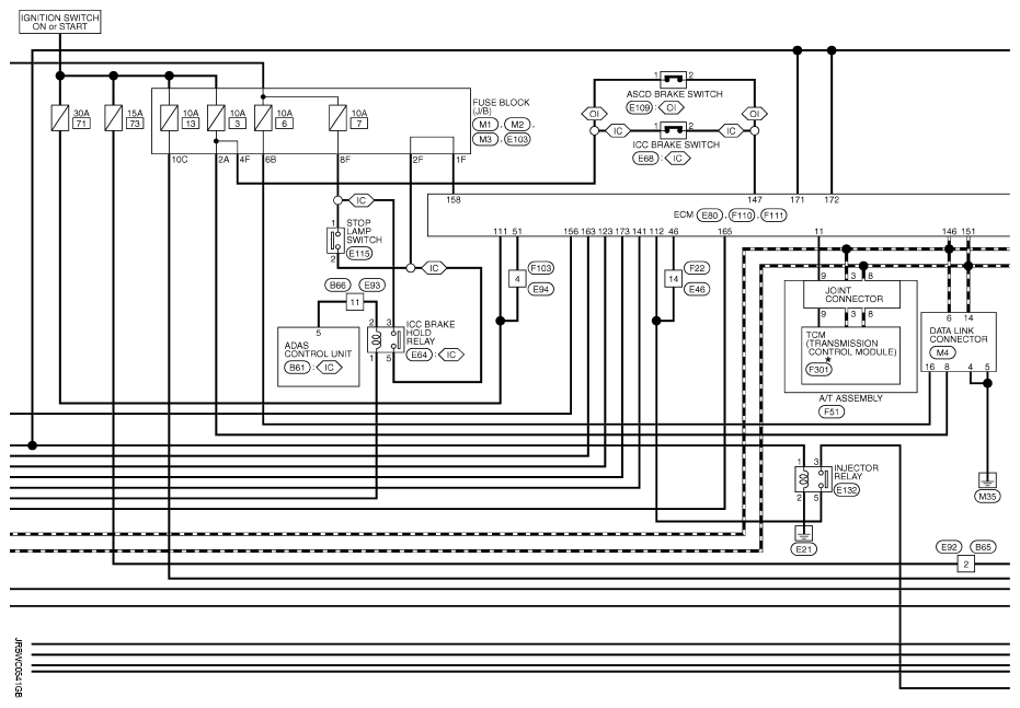
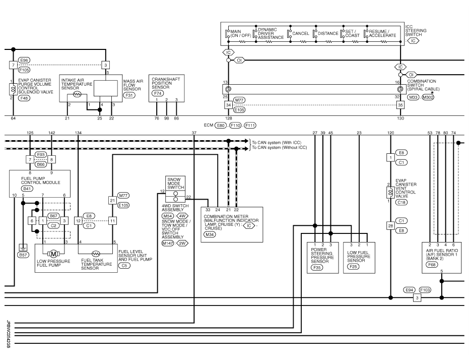
Fig 1: Engine Control System - Wiring Diagram (1 Of 6)
G08260148Courtesy of NISSAN NORTH AMERICA, INC.
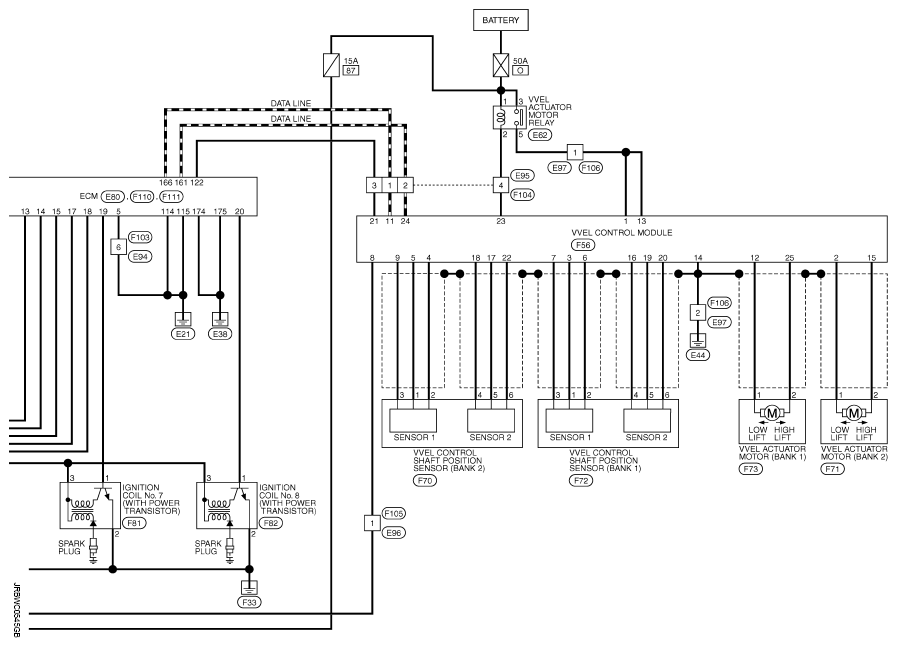
Fig 2: Engine Control System - Wiring Diagram (2 Of 6)
G08260149Courtesy of NISSAN NORTH AMERICA, INC.
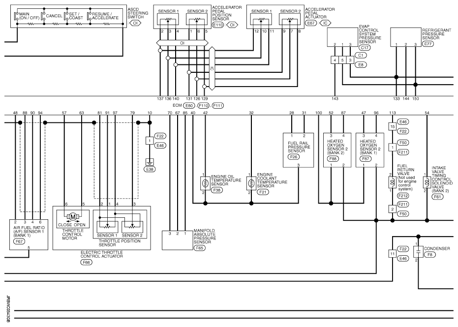
Fig 3: Engine Control System - Wiring Diagram (3 Of 6)
G08260150Courtesy of NISSAN NORTH AMERICA, INC.
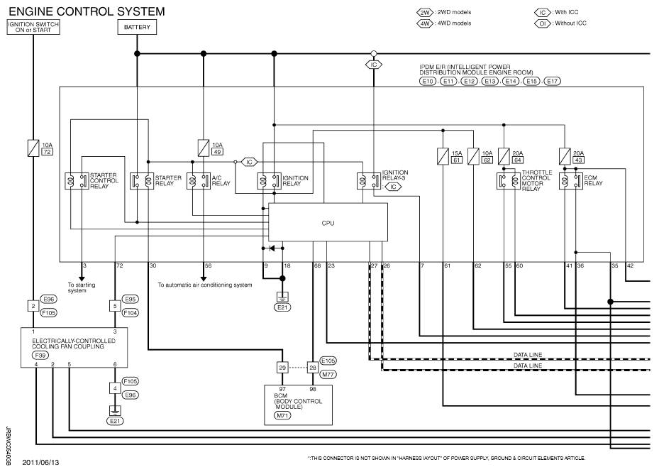
Fig 4: Engine Control System - Wiring Diagram (4 Of 6)
G08260151Courtesy of NISSAN NORTH AMERICA, INC.
Fig 5: Engine Control System - Wiring Diagram (5 Of 6)
G08260152Courtesy of NISSAN NORTH AMERICA, INC.
Fig 6: Engine Control System - Wiring Diagram (6 Of 6)
G08260153Courtesy of NISSAN NORTH AMERICA, INC.