LEMON Manuals: Even more car manuals for everyone: 1960-2025
Home >> Infiniti >> 2011 >> M56 Base >> Repair and Diagnosis (Single Page) >> External Pages >> Different car >> Section 97 (Driver Assistance System (ADAS Control Unit)) >> Wiring Diagram >> Driver Assistance Systems >> Wiring Diagram
April 5, 2026: LEMON Manuals is launched! Read the announcement.

Driver Assistance Systems: Wiring Diagram

WARNING: This page is about a different car, the 2012 Infiniti QX56. However, it is still accessible from the selected car via links, so may be relevant.

For connector terminal arrangements, harness layouts, and alphabets (option abbreviation; if not described in wiring diagram), refer to "CONNECTOR INFORMATION ".

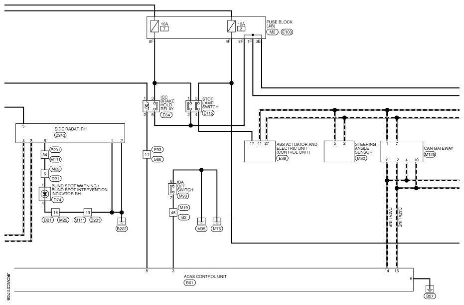
Fig 1: Driver Assistance Systems - Wiring Diagram (1 Of 4)
G08259791Courtesy of NISSAN NORTH AMERICA, INC.
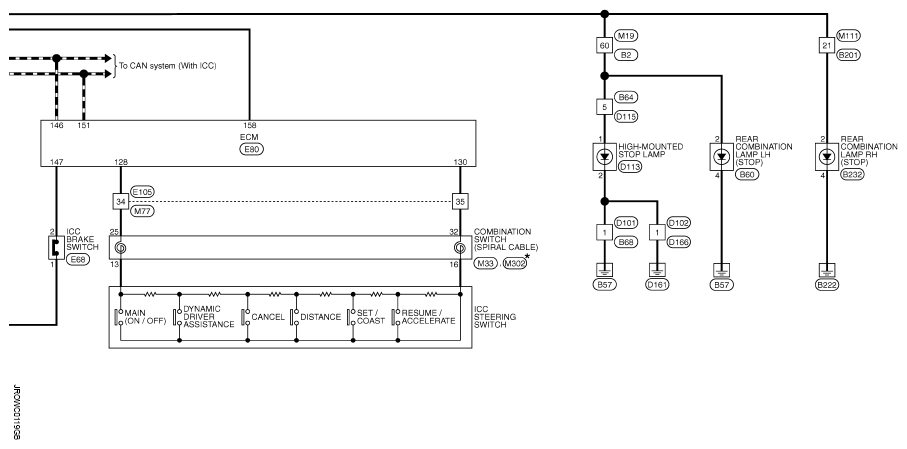
Fig 2: Driver Assistance Systems - Wiring Diagram (2 Of 4)
G08259792Courtesy of NISSAN NORTH AMERICA, INC.
Fig 3: Driver Assistance Systems - Wiring Diagram (3 Of 4)
G08259793Courtesy of NISSAN NORTH AMERICA, INC.
Fig 4: Driver Assistance Systems - Wiring Diagram (4 Of 4)
G08259794Courtesy of NISSAN NORTH AMERICA, INC.