LEMON Manuals: Even more car manuals for everyone: 1960-2025
Home >> Infiniti >> 2011 >> M56 Base >> Repair and Diagnosis >> External Pages >> Different car >> Section 293 (Engine Control System - Introduction) >> Wiring Diagram >> Engine Control System >> Wiring Diagram
April 5, 2026: LEMON Manuals is launched! Read the announcement.

Engine Control System: Wiring Diagram

WARNING: This page is about a different car, the 2011 Infiniti M37. However, it is still accessible from the selected car via links, so may be relevant.
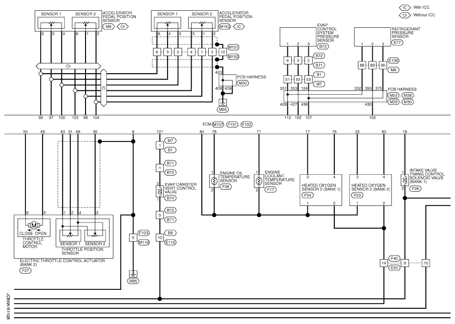
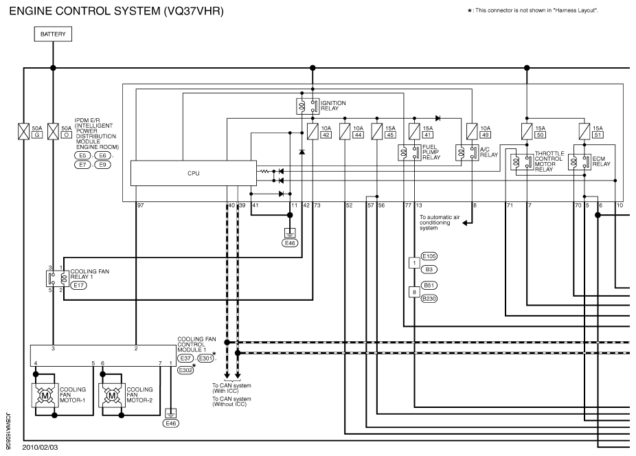
Fig 1: Engine Control System - Wiring Diagram (1 Of 6)
G07020060Courtesy of NISSAN MOTOR CO., U.S.A.
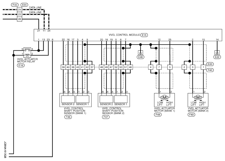
Fig 2: Engine Control System - Wiring Diagram (2 Of 6)
G07020061Courtesy of NISSAN MOTOR CO., U.S.A.
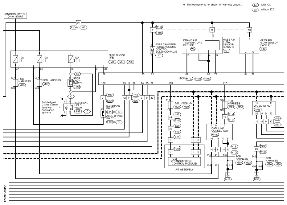
Fig 3: Engine Control System - Wiring Diagram (3 Of 6)
G07020062Courtesy of NISSAN MOTOR CO., U.S.A.
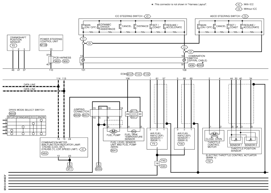
Fig 4: Engine Control System - Wiring Diagram (4 Of 6)
G07020063Courtesy of NISSAN MOTOR CO., U.S.A.
Fig 5: Engine Control System - Wiring Diagram (5 Of 6)
G07020064Courtesy of NISSAN MOTOR CO., U.S.A.
Fig 6: Engine Control System - Wiring Diagram (6 Of 6)
G07020065Courtesy of NISSAN MOTOR CO., U.S.A.
Fig 7: Identifying Engine Control System Connector Terminals (1 Of 18)
G07020066Courtesy of NISSAN MOTOR CO., U.S.A.
Fig 8: Identifying Engine Control System Connector Terminals (2 Of 18)
G07020067Courtesy of NISSAN MOTOR CO., U.S.A.
Fig 9: Identifying Engine Control System Connector Terminals (3 Of 18)
G07020068Courtesy of NISSAN MOTOR CO., U.S.A.
Fig 10: Identifying Engine Control System Connector Terminals (4 Of 18)
G07020069Courtesy of NISSAN MOTOR CO., U.S.A.
Fig 11: Identifying Engine Control System Connector Terminals (5 Of 18)
G07020070Courtesy of NISSAN MOTOR CO., U.S.A.
Fig 12: Identifying Engine Control System Connector Terminals (6 Of 18)
G07020071Courtesy of NISSAN MOTOR CO., U.S.A.
Fig 13: Identifying Engine Control System Connector Terminals (7 Of 18)
G07020072Courtesy of NISSAN MOTOR CO., U.S.A.
Fig 14: Identifying Engine Control System Connector Terminals (8 Of 18)
G07020073Courtesy of NISSAN MOTOR CO., U.S.A.
Fig 15: Identifying Engine Control System Connector Terminals (9 Of 18)
G07020074Courtesy of NISSAN MOTOR CO., U.S.A.
Fig 16: Identifying Engine Control System Connector Terminals (10 Of 18)
G07020075Courtesy of NISSAN MOTOR CO., U.S.A.
Fig 17: Identifying Engine Control System Connector Terminals (11 Of 18)
G07020076Courtesy of NISSAN MOTOR CO., U.S.A.
Fig 18: Identifying Engine Control System Connector Terminals (12 Of 18)
G07020077Courtesy of NISSAN MOTOR CO., U.S.A.
Fig 19: Identifying Engine Control System Connector Terminals (13 Of 18)
G07020078Courtesy of NISSAN MOTOR CO., U.S.A.
Fig 20: Identifying Engine Control System Connector Terminals (14 Of 18)
G07020079Courtesy of NISSAN MOTOR CO., U.S.A.
Fig 21: Identifying Engine Control System Connector Terminals (15 Of 18)
G07020080Courtesy of NISSAN MOTOR CO., U.S.A.
Fig 22: Identifying Engine Control System Connector Terminals (16 Of 18)
G07020081Courtesy of NISSAN MOTOR CO., U.S.A.
Fig 23: Identifying Engine Control System Connector Terminals (17 Of 18)
G07020082Courtesy of NISSAN MOTOR CO., U.S.A.
Fig 24: Identifying Engine Control System Connector Terminals (18 Of 18)
G07020083Courtesy of NISSAN MOTOR CO., U.S.A.