LEMON Manuals: Even more car manuals for everyone: 1960-2025
Home >> Infiniti >> 2011 >> M56 Base >> Repair and Diagnosis >> External Pages >> Different car >> Section 90 (Security Control System) >> Wiring Diagram >> Security Control System >> Wiring Diagram
April 5, 2026: LEMON Manuals is launched! Read the announcement.

Security Control System: Wiring Diagram

WARNING: This page is about a different car, the 2012 Infiniti QX56. However, it is still accessible from the selected car via links, so may be relevant.

For connector terminal arrangements, harness layouts, and alphabets in a "diamond shape" symbol (option abbreviation; if not described in wiring diagram), refer to "CONNECTOR INFORMATION ".

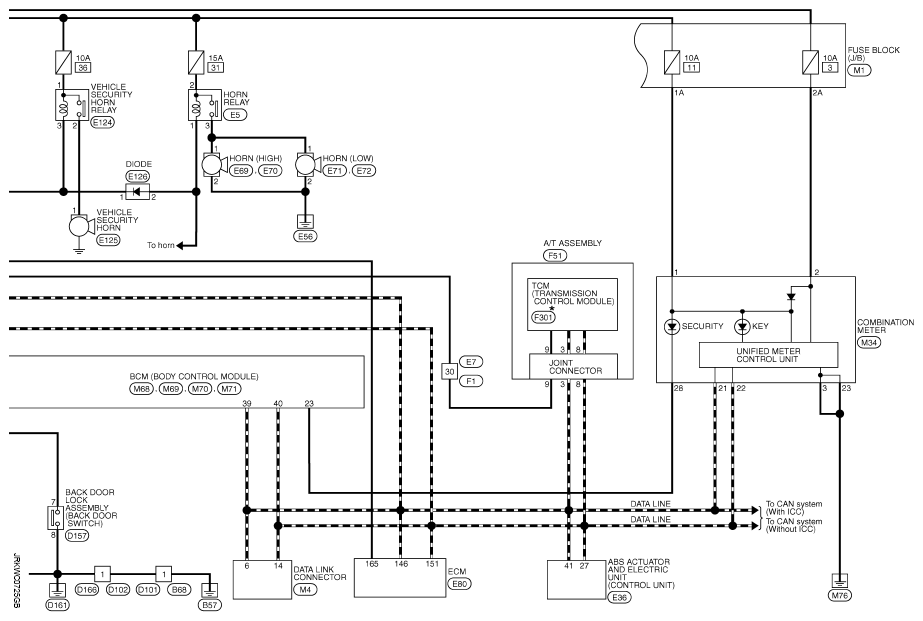
Fig 1: Identifying Security Control System Wiring Diagram (1 Of 3)
G08259165Courtesy of NISSAN NORTH AMERICA, INC.
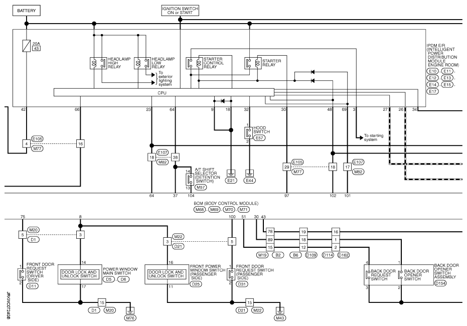
Fig 2: Identifying Security Control System Wiring Diagram (2 Of 3)
G08259166Courtesy of NISSAN NORTH AMERICA, INC.
Fig 3: Identifying Security Control System Wiring Diagram (3 Of 3)
G08259167Courtesy of NISSAN NORTH AMERICA, INC.