Switches And Their Control Function
With ACCS (Advanced Climate Control System)
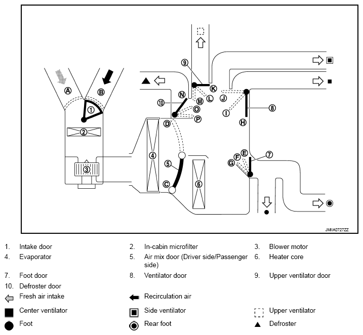
SWITCH POSITION
| Switch/Dial position | Door position | |||||||||||
|---|---|---|---|---|---|---|---|---|---|---|---|---|
| Ventilator door | Foot door | Defroster door | Intake door | Upper ventilator door | Air mix door (Driver side) | Air mix door (Passenger side) | ||||||
| AUTO switch | - | AUTO | - | AUTO | ||||||||
| MODE switch | VENT | - | H | E | N | - | ||||||
| B/L | - | I | F | N | - | |||||||
| FOOT | - | J | G | O | - | |||||||
| D/F | - | J | G | O | B | - | ||||||
| DEF switch | - | - | J | E | P | B | K | - | ||||
| Intake switch(1) | FRE | - | - | - | B | - | ||||||
| REC | - | - | A | - | ||||||||
| Upper ventilator switch | ON | - | - | L - M | - | |||||||
| OFF | - | - | K | - | ||||||||
| Temperature control dial (Driver side) | DUAL switch: OFF | 18.0°C (60°F) | - | C | ||||||||
| 18.5°C (61°F) <=> 31.5°C (89°F) | - | AUTO | ||||||||||
| 32.0°C (90°F) | - | D | ||||||||||
| Temperature control dial (Driver side) | DUAL switch: ON | 18.0°C (60°F) | - | C | - | |||||||
| 18.5°C (61°F) <=> 31.5°C (89°F) | - | AUTO | - | |||||||||
| 32.0°C (90°F) | - | D | - | |||||||||
| Temperature control dial (Passenger side) | 18.0°C (60°F) | - | C | |||||||||
| 18.5°C (61°F) <=> 31.5°C (89°F) | - | AUTO | ||||||||||
| 32.0°C (90°F) | - | D | ||||||||||
| OFF switch | AUTO | - | ||||||||||
|
||||||||||||
Without ACCS (Advanced Climate Control System)
SWITCH POSITION
| Switch/Dial position | Door position | |||||||||||
|---|---|---|---|---|---|---|---|---|---|---|---|---|
| Ventilator door | Foot door | Defroster door | Intake door | Upper ventilator door | Air mix door (Driver side) | Air mix door (Passenger side) | ||||||
| AUTO switch | - | AUTO | - | AUTO | ||||||||
| MODE switch | VENT | - | H | E | N | - | ||||||
| B/L | - | I | F | N | - | |||||||
| FOOT | - | J | G | O | - | |||||||
| D/F | - | J | G | O | B | - | ||||||
| DEF switch | - | - | J | E | P | B | K | - | ||||
| FRE switch(1) | - | - | - | B | - | |||||||
| REC switch(1) | - | - | - | A | - | |||||||
| Upper ventilator switch | ON | - | - | L - M | - | |||||||
| OFF | - | - | K | - | ||||||||
| Temperature control dial (Driver side) | DUAL switch: OFF | 18.0°C (60°F) | - | C | ||||||||
| 18.5°C (61°F) <=> 31.5°C (89°F) | - | AUTO | ||||||||||
| 32.0°C (90°F) | - | D | ||||||||||
| Temperature control dial (Driver side) | DUAL switch: ON | 18.0°C (60°F) | - | C | - | |||||||
| 18.5°C (61°F) <=> 31.5°C (89°F) | - | AUTO | - | |||||||||
| 32.0°C (90°F) | - | D | - | |||||||||
| Temperature control dial (Passenger side) | 18.0°C (60°F) | - | C | |||||||||
| 18.5°C (61°F) <=> 31.5°C (89°F) | - | AUTO | ||||||||||
| 32.0°C (90°F) | - | D | ||||||||||
| OFF switch | AUTO | - | ||||||||||
|
||||||||||||