LEMON Manuals: Even more car manuals for everyone: 1960-2025
Home >> Infiniti >> 2011 >> QX56 AWD >> Repair and Diagnosis >> Suspension >> Suspension Control Systems >> HBMC >> System Description >> System >> System Diagram
April 5, 2026: LEMON Manuals is launched! Read the announcement.

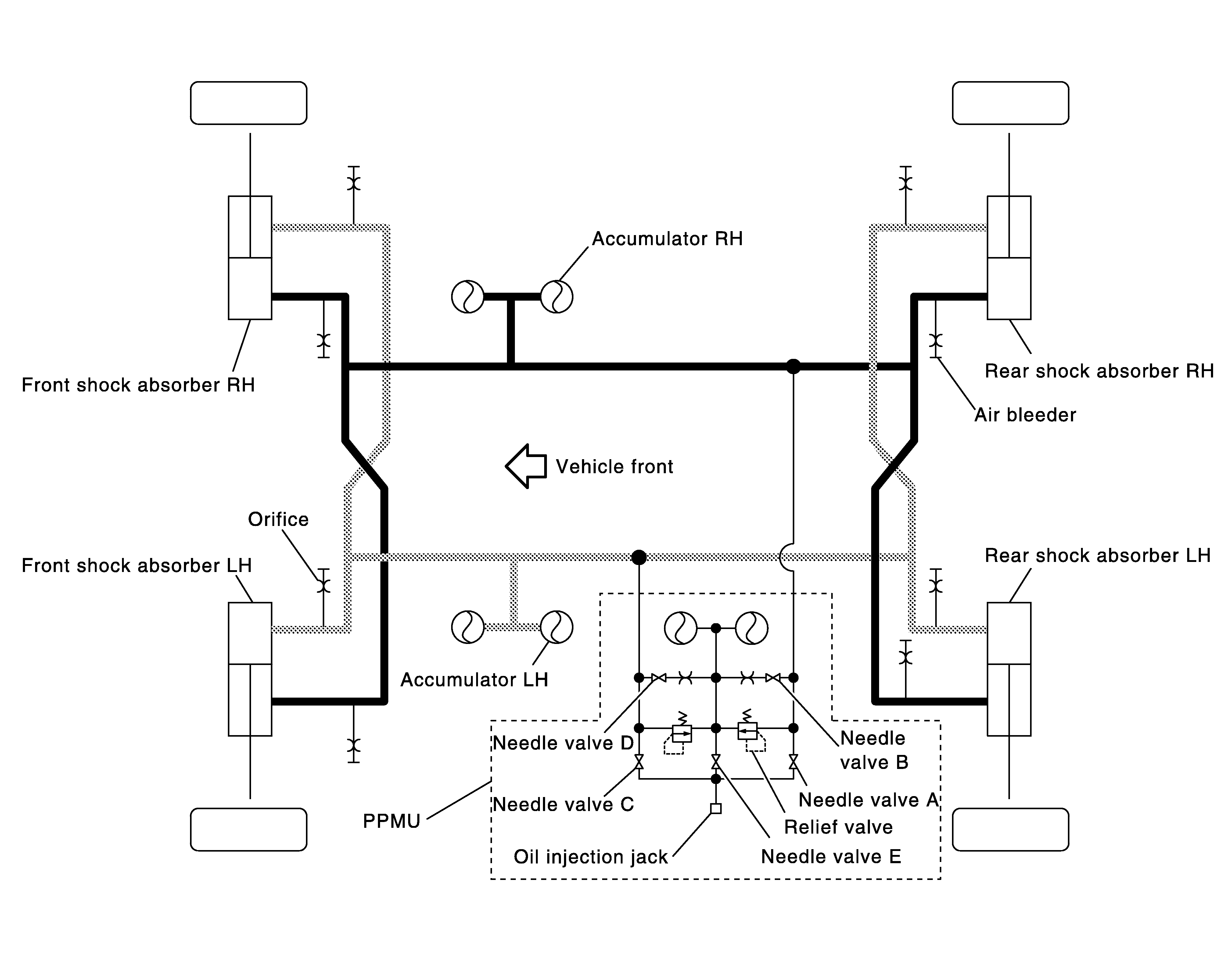
System Diagram

Fig 1: PPMU System Diagram
G07045665Courtesy of NISSAN MOTOR CO., U.S.A.