LEMON Manuals: Even more car manuals for everyone: 1960-2025
Home >> Infiniti >> 2011 >> QX56 RWD >> Repair and Diagnosis >> Engine Performance >> Testing & Diagnosis >> Engine Control System - Introduction >> Wiring Diagram >> Engine Control System >> Wiring Diagram
April 5, 2026: LEMON Manuals is launched! Read the announcement.

Engine Control System: Wiring Diagram

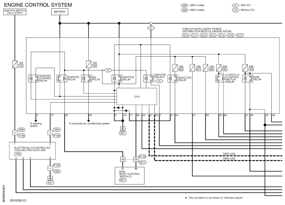
Fig 1: Engine Control System - Wiring Diagram (1 Of 6)
G07026265Courtesy of NISSAN MOTOR CO., U.S.A.
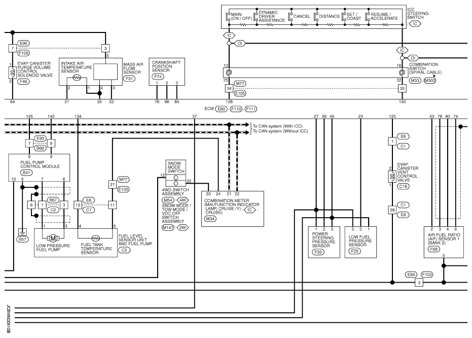
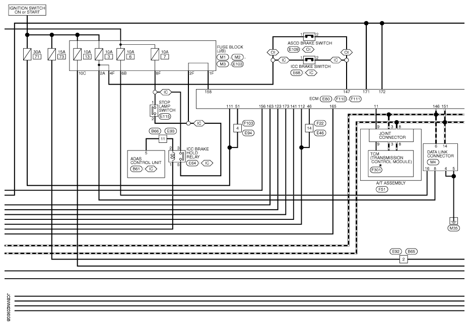
Fig 2: Engine Control System - Wiring Diagram (2 Of 6)
G07026266Courtesy of NISSAN MOTOR CO., U.S.A.
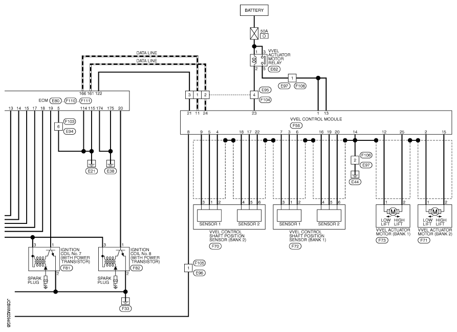
Fig 3: Engine Control System - Wiring Diagram (3 Of 6)
G07026267Courtesy of NISSAN MOTOR CO., U.S.A.
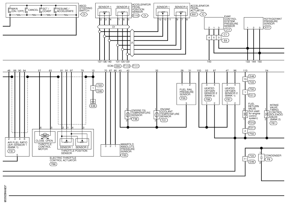
Fig 4: Engine Control System - Wiring Diagram (4 Of 6)
G07026268Courtesy of NISSAN MOTOR CO., U.S.A.
Fig 5: Engine Control System - Wiring Diagram (5 Of 6)
G07026269Courtesy of NISSAN MOTOR CO., U.S.A.
Fig 6: Engine Control System - Wiring Diagram (6 Of 6)
G07026270Courtesy of NISSAN MOTOR CO., U.S.A.
Fig 7: Identifying Engine Control System Connectors (1 Of 15)
G07026271Courtesy of NISSAN MOTOR CO., U.S.A.
Fig 8: Identifying Engine Control System Connectors (2 Of 15)
G07026272Courtesy of NISSAN MOTOR CO., U.S.A.
Fig 9: Identifying Engine Control System Connectors (3 Of 15)
G07026273Courtesy of NISSAN MOTOR CO., U.S.A.
Fig 10: Identifying Engine Control System Connectors (4 Of 15)
G07026274Courtesy of NISSAN MOTOR CO., U.S.A.
Fig 11: Identifying Engine Control System Connectors (5 Of 15)
G07026275Courtesy of NISSAN MOTOR CO., U.S.A.
Fig 12: Identifying Engine Control System Connectors (6 Of 15)
G07026276Courtesy of NISSAN MOTOR CO., U.S.A.
Fig 13: Identifying Engine Control System Connectors (7 Of 15)
G07026277Courtesy of NISSAN MOTOR CO., U.S.A.
Fig 14: Identifying Engine Control System Connectors (8 Of 15)
G07026278Courtesy of NISSAN MOTOR CO., U.S.A.
Fig 15: Identifying Engine Control System Connectors (9 Of 15)
G07026279Courtesy of NISSAN MOTOR CO., U.S.A.
Fig 16: Identifying Engine Control System Connectors (10 Of 15)
G07026280Courtesy of NISSAN MOTOR CO., U.S.A.
Fig 17: Identifying Engine Control System Connectors (11 Of 15)
G07026281Courtesy of NISSAN MOTOR CO., U.S.A.
Fig 18: Identifying Engine Control System Connectors (12 Of 15)
G07026282Courtesy of NISSAN MOTOR CO., U.S.A.
Fig 19: Identifying Engine Control System Connectors (13 Of 15)
G07026283Courtesy of NISSAN MOTOR CO., U.S.A.
Fig 20: Identifying Engine Control System Connectors (14 Of 15)
G07026284Courtesy of NISSAN MOTOR CO., U.S.A.
Fig 21: Identifying Engine Control System Connectors (15 Of 15)
G07026285Courtesy of NISSAN MOTOR CO., U.S.A.