LEMON Manuals: Even more car manuals for everyone: 1960-2025
Home >> Infiniti >> 2012 >> EX35 Base, AWD >> Repair and Diagnosis >> Body & Frame >> Mirrors >> Mirrors System (With ADP) >> Ecu Diagnosis Information >> Automatic Drive Positioner Control Unit >> Wiring Diagram - Automatic Drive Positioner Control System
April 5, 2026: LEMON Manuals is launched! Read the announcement.

Wiring Diagram - Automatic Drive Positioner Control System

For connector terminal arrangements, harness layouts, and alphabets in a "diamond-shaped" symbol (option abbreviation; if not described in wiring diagram), refer to "CONNECTOR INFORMATION ".

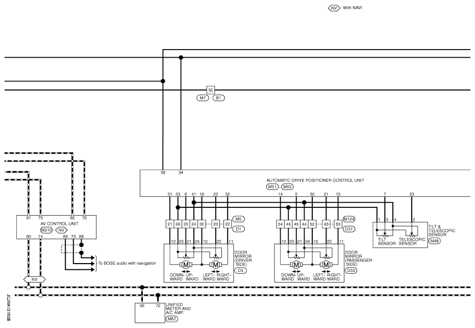
Fig 1: Automatic Drive Positioner Control System - Wiring Diagram (1 Of 4)
G07166752Courtesy of NISSAN NORTH AMERICA, INC.
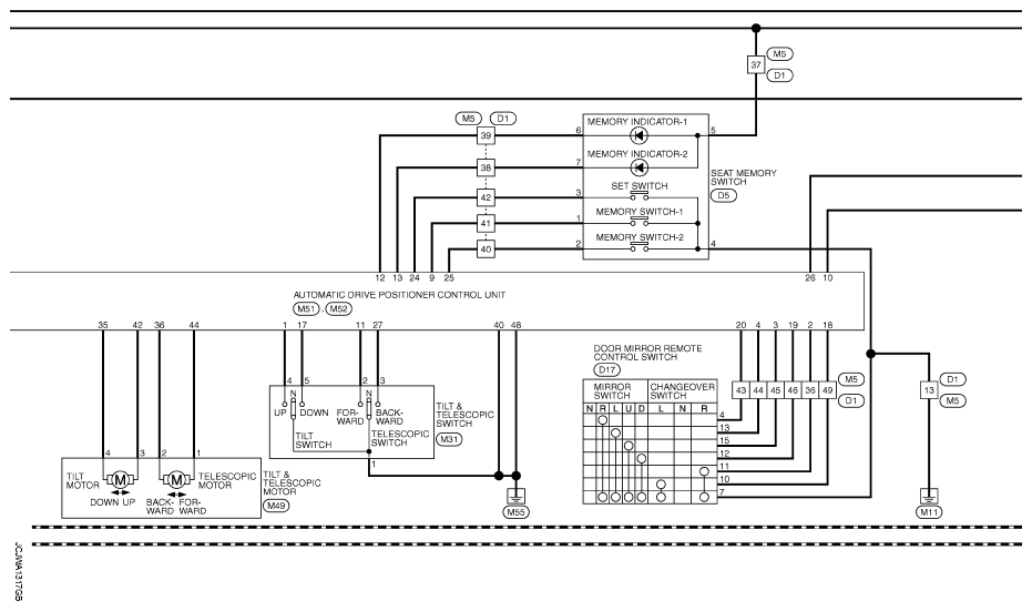
Fig 2: Automatic Drive Positioner Control System - Wiring Diagram (2 Of 4)
G07166753Courtesy of NISSAN NORTH AMERICA, INC.
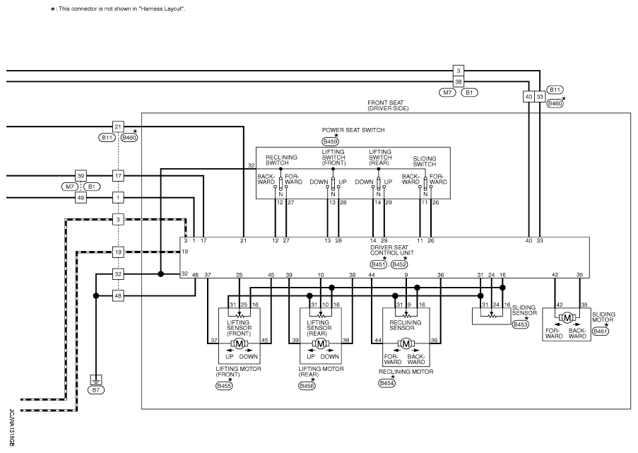
Fig 3: Automatic Drive Positioner Control System - Wiring Diagram (3 Of 4)
G07166754Courtesy of NISSAN NORTH AMERICA, INC.
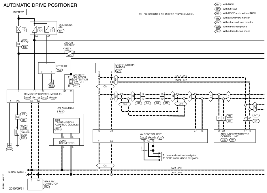
Fig 4: Automatic Drive Positioner Control System - Wiring Diagram (4 Of 4)
G07166755Courtesy of NISSAN NORTH AMERICA, INC.