LEMON Manuals: Even more car manuals for everyone: 1960-2025
Home >> Infiniti >> 2012 >> EX35 Base, AWD >> Repair and Diagnosis >> Electrical >> Body Electrical >> Power Control System (Power Distribution System) >> DTC/Circuit Diagnosis >> Power Distribution System >> Wiring Diagram - Power Distribution System (PDS) -
April 5, 2026: LEMON Manuals is launched! Read the announcement.

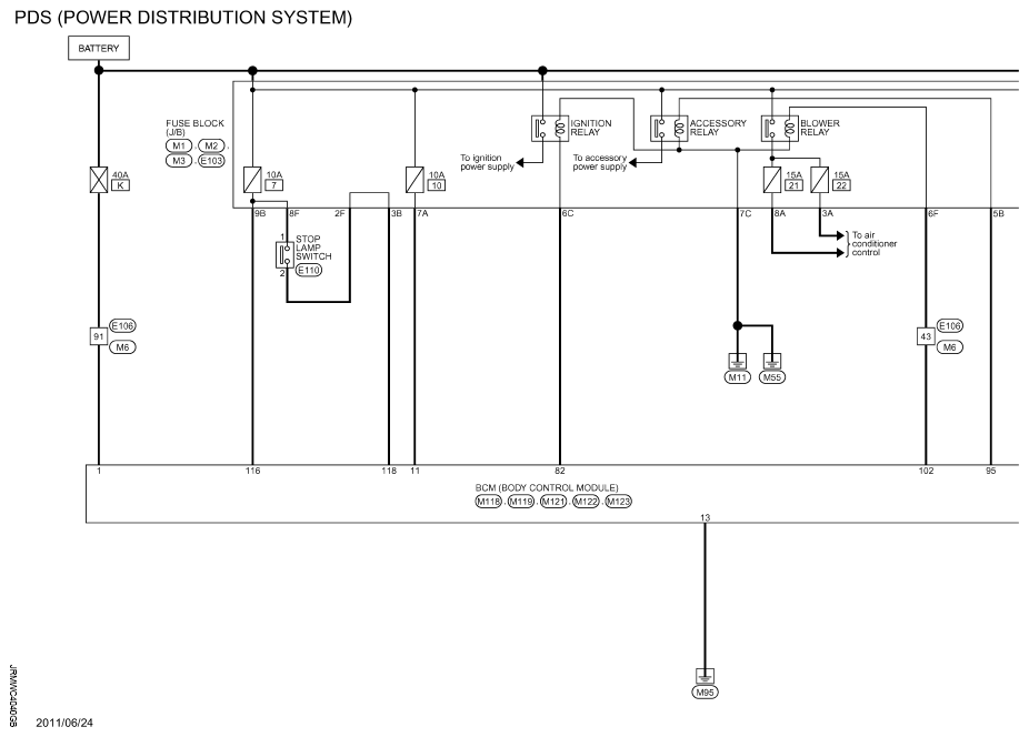
Wiring Diagram - Power Distribution System (PDS) -

For connector terminal arrangements, harness layouts, and alphabets in a "diamond-shaped" symbol (option abbreviation; if not described in wiring diagram), refer to "CONNECTOR INFORMATION ".

Fig 1: Power Distribution System (PDS) - Wiring Diagram (1 Of 2)
G08196160Courtesy of NISSAN NORTH AMERICA, INC.
Fig 2: Power Distribution System (PDS) - Wiring Diagram (2 Of 2)
G08196161Courtesy of NISSAN NORTH AMERICA, INC.