LEMON Manuals: Even more car manuals for everyone: 1960-2025
Home >> Infiniti >> 2012 >> EX35 Base, AWD >> Repair and Diagnosis >> External Pages >> Different car >> Section 7 (Engine Cooling System) >> On-Vehicle Repair >> Radiator >> Exploded View
April 5, 2026: LEMON Manuals is launched! Read the announcement.

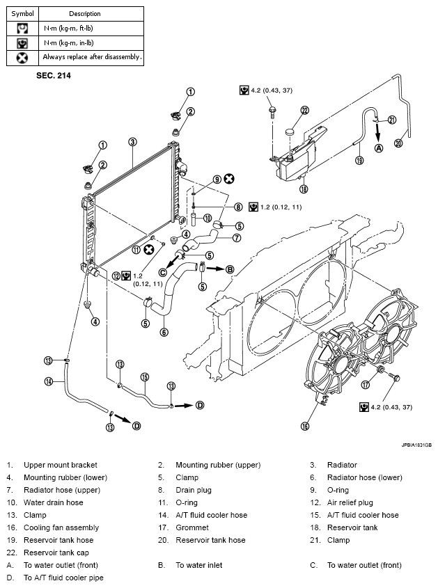
Exploded View

WARNING: This page is about a different car, the 2008 Infiniti EX35. However, it is still accessible from the selected car via links, so may be relevant.
Fig 1: Exploded View Of Radiator With Torque Specifications
G05726223Courtesy of NISSAN MOTOR CO., U.S.A.

Refer to COMPONENTS for symbols in the figure.