LEMON Manuals: Even more car manuals for everyone: 1960-2025
Home >> Infiniti >> 2012 >> FX35 AWD >> Repair and Diagnosis >> Body & Frame >> Windows >> Power Window Control System >> Ecu Diagnosis Information >> Power Window Main Switch >> Wiring Diagram - Power Window Control System -
April 5, 2026: LEMON Manuals is launched! Read the announcement.

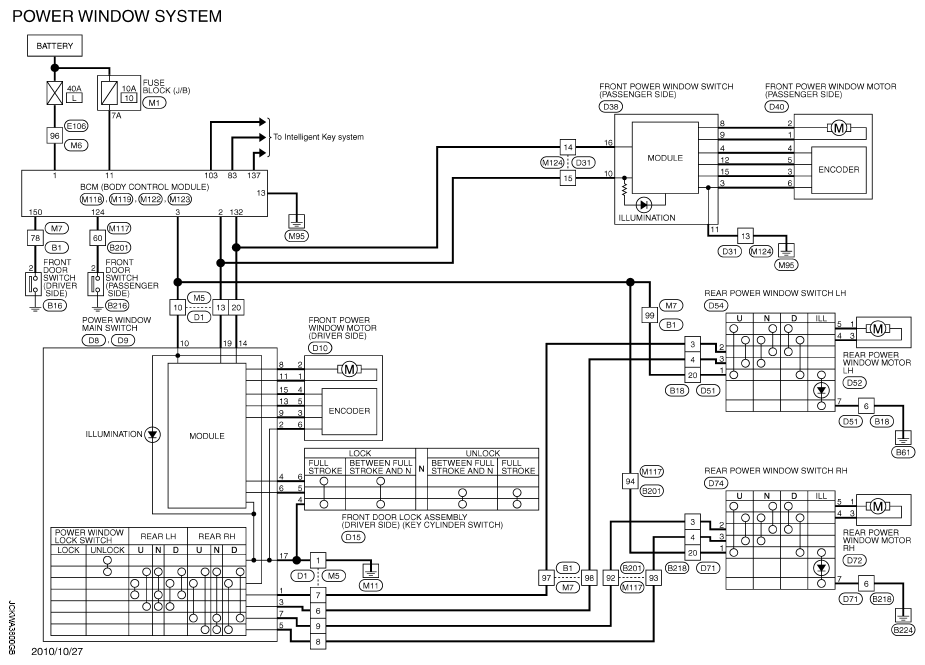
Wiring Diagram - Power Window Control System -

For connector terminal arrangements, harness layouts, and alphabets in a "diamond-shaped" symbol (option abbreviation; if not described in wiring diagram), refer to "CONNECTOR INFORMATION ".

Fig 1: Power Window Control System - Wiring Diagram
G07234261Courtesy of NISSAN NORTH AMERICA, INC.