LEMON Manuals: Even more car manuals for everyone: 1960-2025
Home >> Infiniti >> 2012 >> FX35 AWD >> Repair and Diagnosis >> Transmission >> Automatic Transmission >> Unit Disassembly And Assembly >> Transmission Assembly >> Exploded View >> 2WD Models
April 5, 2026: LEMON Manuals is launched! Read the announcement.

2WD Models

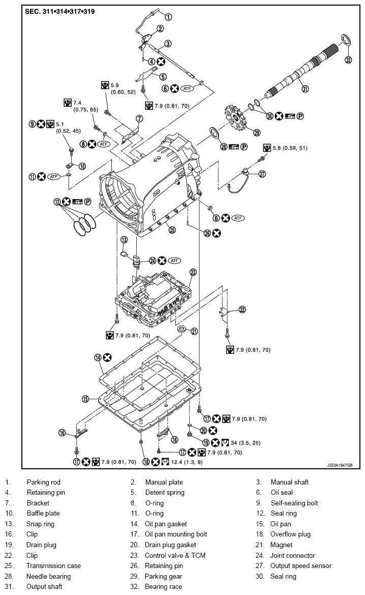
Fig 1: Exploded View Of Transmission Assembly (2WD Models) With Torque Specifications
G08217355Courtesy of NISSAN NORTH AMERICA, INC.

*: Refer to "RECOMMENDED CHEMICAL PRODUCTS AND SEALANTS ".

Refer to "COMPONENTS " for symbols not described on the above.

Fig 2: Exploded View Of Transmission Assembly Components - 2WD (Type 1)
G08217356Courtesy of NISSAN NORTH AMERICA, INC.

Refer to "COMPONENTS " for symbols not described on the above.

Fig 3: Exploded View Of Transmission Assembly Components - 2WD (Type 2)
G08217357Courtesy of NISSAN NORTH AMERICA, INC.

Refer to "COMPONENTS " for symbols not described on the above.

Fig 4: Exploded View Of Transmission Assembly Components (Type 1)
G08217358Courtesy of NISSAN NORTH AMERICA, INC.

Refer to "COMPONENTS " for symbols in the figure.

Fig 5: Exploded View Of Transmission Assembly Components (Type 2)
G08217359Courtesy of NISSAN NORTH AMERICA, INC.

Refer to "COMPONENTS " for symbols in the figure.

Fig 6: Exploded View Of Transmission Assembly With Torque Specifications
G08217360Courtesy of NISSAN NORTH AMERICA, INC.

Refer to "COMPONENTS " for symbols in the figure.

Fig 7: Dissembled View Of Transmission Assembly With Torque Specifications
G08217361Courtesy of NISSAN NORTH AMERICA, INC.

*: Refer to "RECOMMENDED CHEMICAL PRODUCTS AND SEALANTS ".

Refer to "COMPONENTS " for symbols in the figure.