LEMON Manuals: Even more car manuals for everyone: 1960-2025
Home >> Infiniti >> 2012 >> FX35 RWD >> Repair and Diagnosis >> Transmission >> Automatic Transmission >> System Description >> Shift Mechanism >> System Diagram
April 5, 2026: LEMON Manuals is launched! Read the announcement.

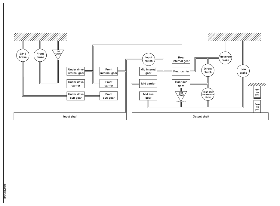
System Diagram

Fig 1: Shift Mechanism - System Diagram
G07022965Courtesy of NISSAN NORTH AMERICA, INC.