LEMON Manuals: Even more car manuals for everyone: 1960-2025
Home >> Infiniti >> 2012 >> FX50 >> Repair and Diagnosis >> Accessories & Equipment >> Anti-Theft Systems >> Security Control System >> DTC/Circuit Diagnosis >> Vehicle Security System >> Wiring Diagram - Vehicle Security System -
April 5, 2026: LEMON Manuals is launched! Read the announcement.

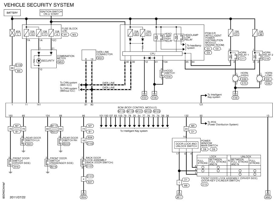
Wiring Diagram - Vehicle Security System -

For connector terminal arrangements, harness layouts, and alphabets in a "diamond-shaped" symbol (option abbreviation; if not described in wiring diagram), refer to "CONNECTOR INFORMATION ".

Fig 1: Vehicle Security System - Wiring Diagram
G08227192Courtesy of NISSAN NORTH AMERICA, INC.