LEMON Manuals: Even more car manuals for everyone: 1960-2025
Home >> Infiniti >> 2012 >> G25 Base >> Repair and Diagnosis >> Electrical >> Starter >> Starting System (Sedan) >> System Description >> Starting System >> System Diagram
April 5, 2026: LEMON Manuals is launched! Read the announcement.

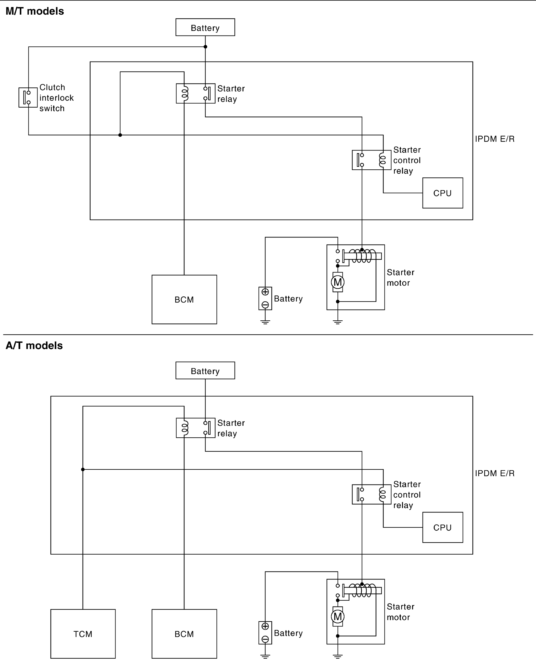
System Diagram

Fig 1: Starting System - System Diagram
G05224193Courtesy of NISSAN NORTH AMERICA, INC.