LEMON Manuals: Even more car manuals for everyone: 1960-2025
Home >> Infiniti >> 2012 >> G25 x >> Repair and Diagnosis >> External Pages >> Different car >> Section 12 (Brake System) >> System Description >> System >> Schematic
April 5, 2026: LEMON Manuals is launched! Read the announcement.

System Description: System: Schematic

WARNING: This page is about a different car, the 2011 Nissan Leaf. However, it is still accessible from the selected car via links, so may be relevant.
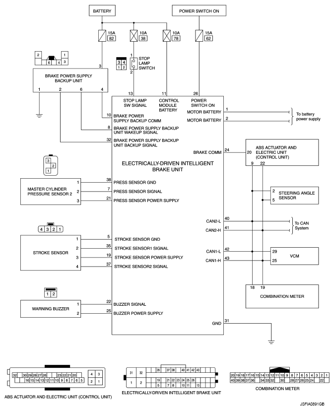
Fig 1: Electrically-Driven Intelligent Brake Unit Schematic Diagram
G07084554Courtesy of NISSAN MOTOR CO., U.S.A.