LEMON Manuals: Even more car manuals for everyone: 1960-2025
Home >> Infiniti >> 2012 >> G37 Base, 2D Convertible >> Repair and Diagnosis (Single Page) >> External Pages >> Different car >> Section 190 (Power Control System) >> Power Distribution System >> Ecu Diagnosis Information >> BCM (Body Control Module) >> Wiring Diagram - BCM -
April 5, 2026: LEMON Manuals is launched! Read the announcement.

Wiring Diagram - BCM -

WARNING: This page is about a different car, the 2011 Nissan 370Z. However, it is still accessible from the selected car via links, so may be relevant.
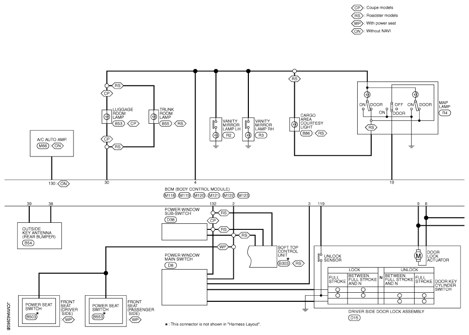
Fig 1: BCM - Wiring Diagram (1 Of 5)
G07103417Courtesy of NISSAN MOTOR CO., U.S.A.
Fig 2: BCM - Wiring Diagram (2 Of 5)
G07103418Courtesy of NISSAN MOTOR CO., U.S.A.
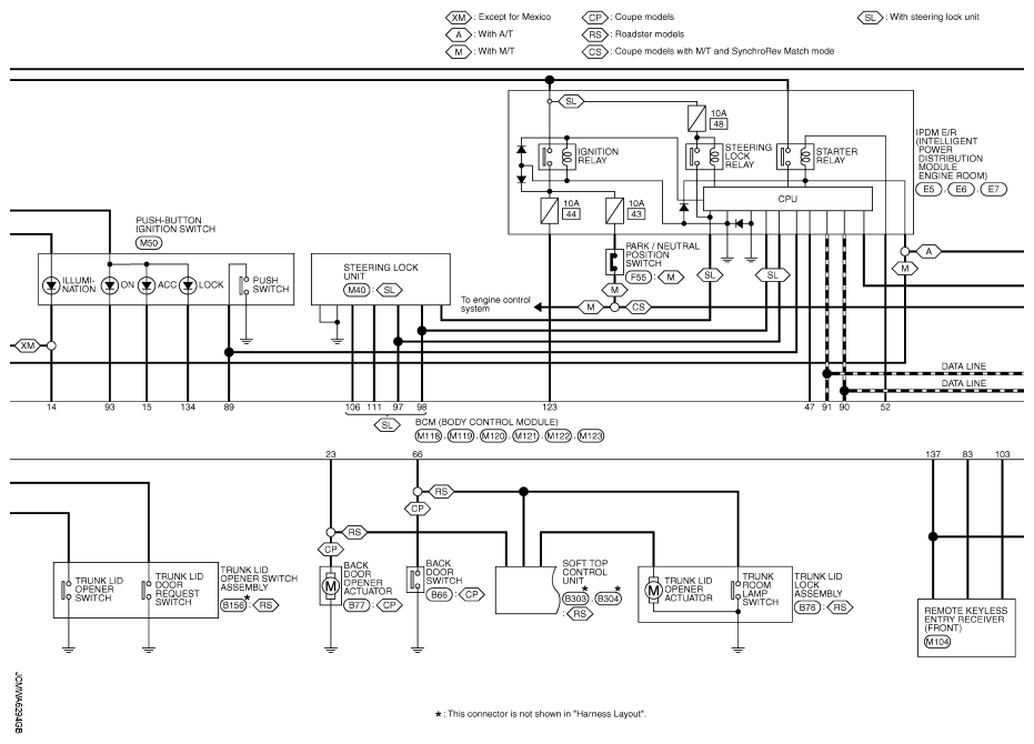
Fig 3: BCM - Wiring Diagram (3 Of 5)
G07103419Courtesy of NISSAN MOTOR CO., U.S.A.
Fig 4: BCM - Wiring Diagram (4 Of 5)
G07103420Courtesy of NISSAN MOTOR CO., U.S.A.
Fig 5: BCM - Wiring Diagram (5 Of 5)
G07103421Courtesy of NISSAN MOTOR CO., U.S.A.
Fig 6: Identifying BCM Connectors (1 Of 2)
G07103422Courtesy of NISSAN MOTOR CO., U.S.A.
Fig 7: Identifying BCM Connectors (2 Of 2)
G07103423Courtesy of NISSAN MOTOR CO., U.S.A.