LEMON Manuals: Even more car manuals for everyone: 1960-2025
Home >> Infiniti >> 2012 >> G37 Base, 2D Convertible >> Repair and Diagnosis >> External Pages >> Different car >> Section 111 (EV Control System) >> System Description >> System >> Electric Power Train System >> ELECTRIC POWER TRAIN SYSTEM: Schematic
April 5, 2026: LEMON Manuals is launched! Read the announcement.

ELECTRIC POWER TRAIN SYSTEM: Schematic

WARNING: This page is about a different car, the 2011 Nissan Leaf. However, it is still accessible from the selected car via links, so may be relevant.
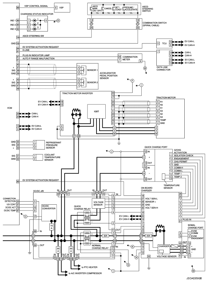
Fig 1: Electric Power Train System Schematic (1 Of 2)
G07084038Courtesy of NISSAN MOTOR CO., U.S.A.
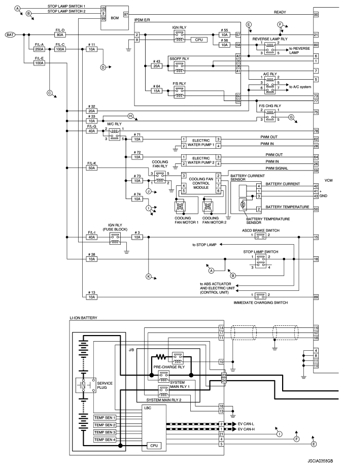
Fig 2: Electric Power Train System Schematic (2 Of 2)
G07084039Courtesy of NISSAN MOTOR CO., U.S.A.
Fig 3: Identifying Electric Power Train System Connector Terminals (1 Of 3)
G07084040Courtesy of NISSAN MOTOR CO., U.S.A.
Fig 4: Identifying Electric Power Train System Connector Terminals (2 Of 3)
G07084041Courtesy of NISSAN MOTOR CO., U.S.A.
Fig 5: Identifying Electric Power Train System Connector Terminals (3 Of 3)
G07084042Courtesy of NISSAN MOTOR CO., U.S.A.