LEMON Manuals: Even more car manuals for everyone: 1960-2025
Home >> Infiniti >> 2012 >> G37 Base, 2D Convertible >> Repair and Diagnosis >> External Pages >> Different car >> Section 153 (Solar Charging System) >> Wiring Diagram >> Solar Cell Module >> Wiring Diagram
April 5, 2026: LEMON Manuals is launched! Read the announcement.

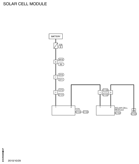
Solar Cell Module: Wiring Diagram

WARNING: This page is about a different car, the 2011 Nissan Leaf. However, it is still accessible from the selected car via links, so may be relevant.
Fig 1: Solar Cell Module - Wiring Diagram
G07088281Courtesy of NISSAN MOTOR CO., U.S.A.
Fig 2: Identifying Solar Cell Module Connectors (1 Of 2)
G07088282Courtesy of NISSAN MOTOR CO., U.S.A.
Fig 3: Identifying Solar Cell Module Connectors (2 Of 2)
G07088283Courtesy of NISSAN MOTOR CO., U.S.A.