LEMON Manuals: Even more car manuals for everyone: 1960-2025
Home >> Infiniti >> 2012 >> G37 Base, 2D Convertible >> Repair and Diagnosis >> External Pages >> Different car >> Section 237 (Power Control System -- G37 Convertible) >> Power Distribution System >> Ecu Diagnosis Information >> BCM (Body Control Module) >> Wiring Diagram - BCM -
April 5, 2026: LEMON Manuals is launched! Read the announcement.

Wiring Diagram - BCM -

WARNING: This page is about a different car, the 2011 Infiniti G37. However, it is still accessible from the selected car via links, so may be relevant.
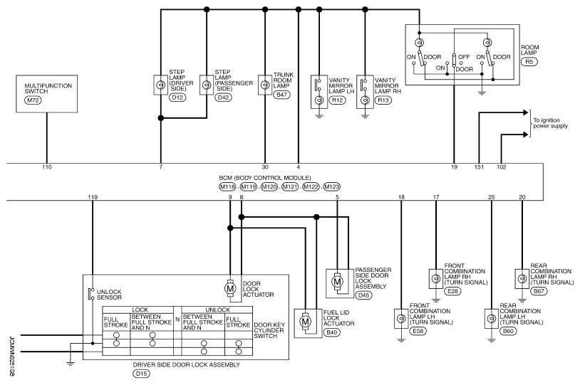
Fig 1: BCM - Wiring Diagram (1 Of 4)
G07159017Courtesy of NISSAN NORTH AMERICA, INC.
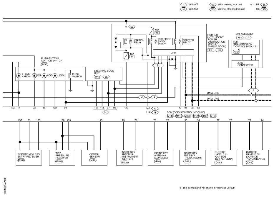
Fig 2: BCM - Wiring Diagram (2 Of 4)
G07159018Courtesy of NISSAN NORTH AMERICA, INC.
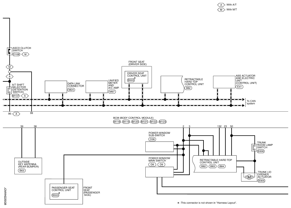
Fig 3: BCM - Wiring Diagram (3 Of 4)
G07159019Courtesy of NISSAN NORTH AMERICA, INC.
Fig 4: BCM - Wiring Diagram (4 Of 4)
G07159020Courtesy of NISSAN NORTH AMERICA, INC.
Fig 5: Identifying BCM Connectors (1 Of 2)
G07159021Courtesy of NISSAN NORTH AMERICA, INC.
Fig 6: Identifying BCM Connectors (2 Of 2)
G07159022Courtesy of NISSAN NORTH AMERICA, INC.