LEMON Manuals: Even more car manuals for everyone: 1960-2025
Home >> Infiniti >> 2012 >> G37 Base, 2D Convertible >> Repair and Diagnosis >> External Pages >> Different car >> Section 80 (Power Control System -- G37 Convertible) >> Power Distribution System >> Ecu Diagnosis Information >> BCM (Body Control Module) >> Wiring Diagram - BCM -
April 5, 2026: LEMON Manuals is launched! Read the announcement.

Wiring Diagram - BCM -

WARNING: This page is about a different car, the 2010 Infiniti G37. However, it is still accessible from the selected car via links, so may be relevant.
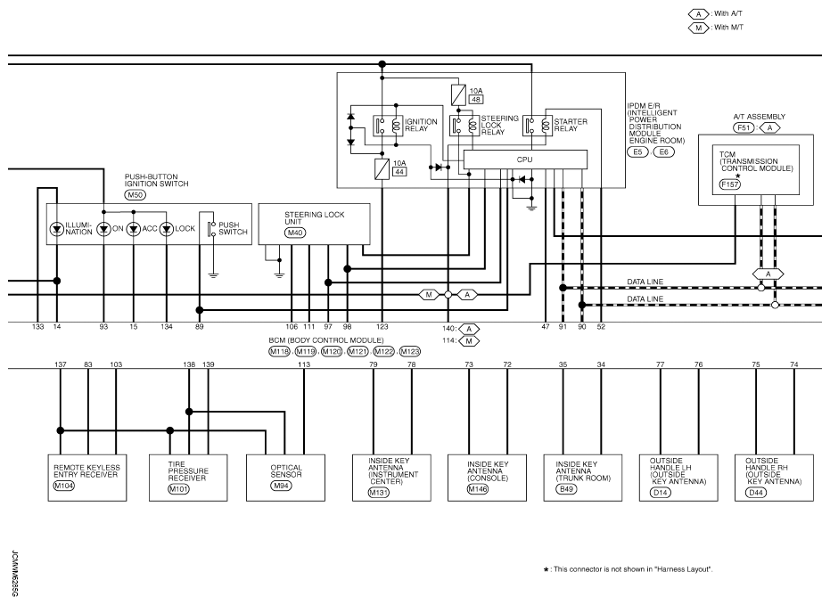
Fig 1: Body Control Module Wiring Diagram (1 Of 4)
G06624135Courtesy of NISSAN MOTOR CO., U.S.A.
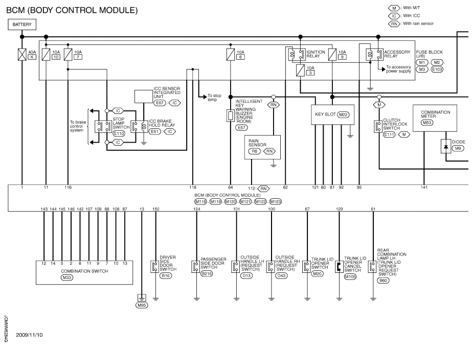
Fig 2: Body Control Module Wiring Diagram (2 Of 4)
G06624136Courtesy of NISSAN MOTOR CO., U.S.A.
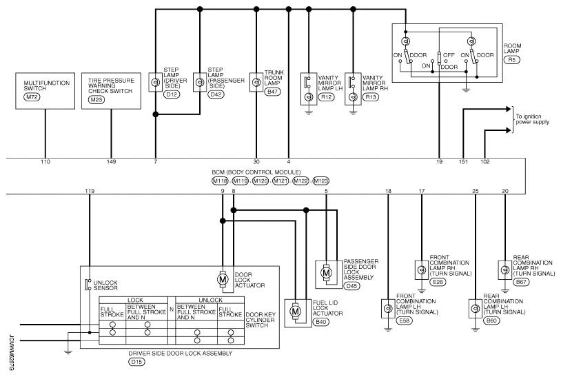
Fig 3: Body Control Module Wiring Diagram (3 Of 4)
G06624137Courtesy of NISSAN MOTOR CO., U.S.A.
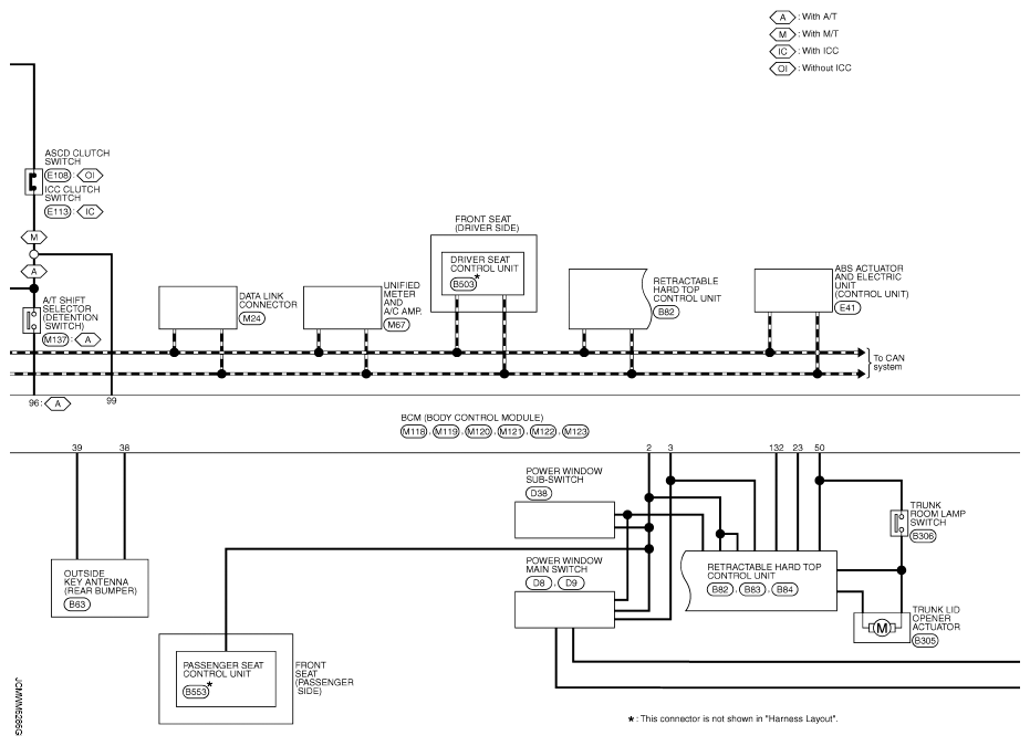
Fig 4: Body Control Module Wiring Diagram (4 Of 4)
G06624138Courtesy of NISSAN MOTOR CO., U.S.A.
Fig 5: Body Control Module Connector Terminals Reference Chart (1 Of 2)
G06624139Courtesy of NISSAN MOTOR CO., U.S.A.
Fig 6: Body Control Module Connector Terminals Reference Chart (2 Of 2)
G06624140Courtesy of NISSAN MOTOR CO., U.S.A.