LEMON Manuals: Even more car manuals for everyone: 1960-2025
Home >> Infiniti >> 2012 >> G37 Base, 2D Convertible >> Repair and Diagnosis >> External Pages >> Different variant/trim >> Section 108 (Power Control System (Sedan)) >> Power Distribution System >> Ecu Diagnosis Information >> BCM (Body Control Module) >> Wiring Diagram - BCM -
April 5, 2026: LEMON Manuals is launched! Read the announcement.

Wiring Diagram - BCM -

WARNING: This page is about a different variant/trim than selected.

For connector terminal arrangements, harness layouts, and alphabets in a (option abbreviation; if not described in wiring diagram), refer to "CONNECTOR INFORMATION ".

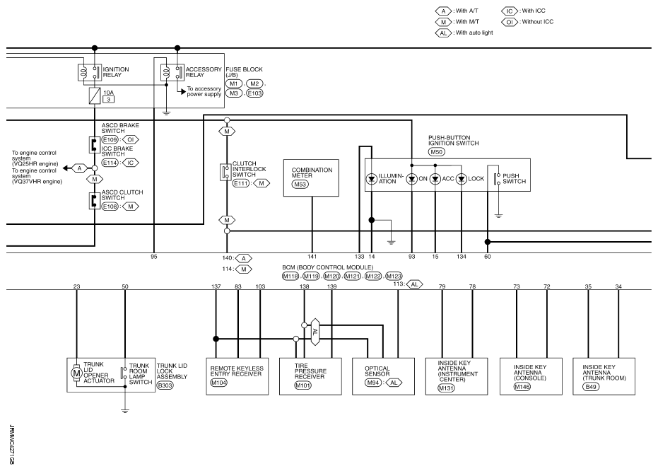
Fig 1: Body Control Module (BCM) Wiring Diagram (1 Of 5)
G08220446Courtesy of NISSAN NORTH AMERICA, INC.
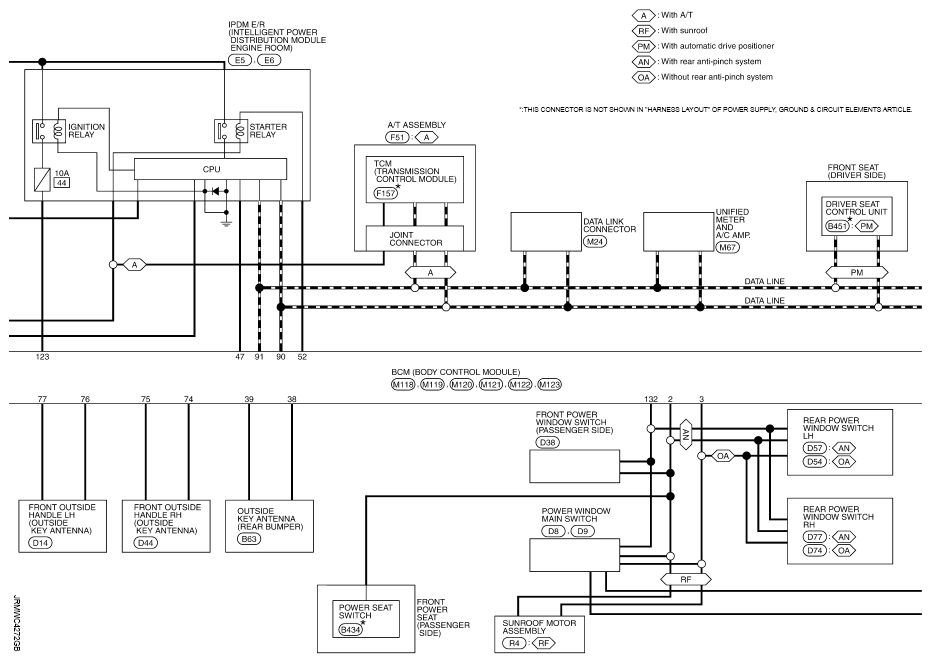
Fig 2: Body Control Module (BCM) Wiring Diagram (2 Of 5)
G08220447Courtesy of NISSAN NORTH AMERICA, INC.
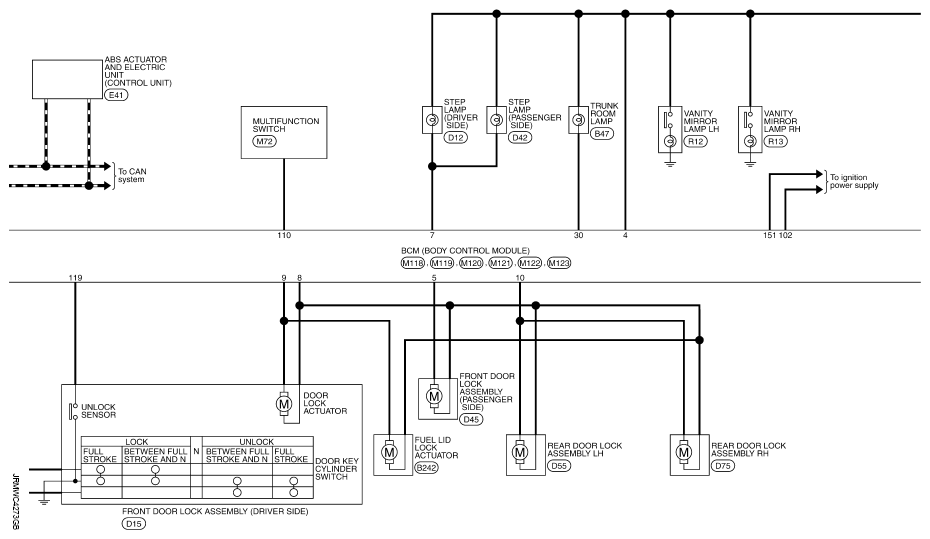
Fig 3: Body Control Module (BCM) Wiring Diagram (3 Of 5)
G08220448Courtesy of NISSAN NORTH AMERICA, INC.
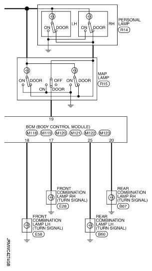
Fig 4: Body Control Module (BCM) Wiring Diagram (4 Of 5)
G08220449Courtesy of NISSAN NORTH AMERICA, INC.
Fig 5: Body Control Module (BCM) Wiring Diagram (5 Of 5)
G08220450Courtesy of NISSAN NORTH AMERICA, INC.