LEMON Manuals: Even more car manuals for everyone: 1960-2025
Home >> Infiniti >> 2012 >> G37 Base, 2D Convertible >> Repair and Diagnosis >> External Pages >> Different variant/trim >> Section 33 (Security Control System (Coupe)) >> DTC/Circuit Diagnosis >> Vehicle Security System >> Wiring Diagram - VEHICLE SECURITY SYSTEM -
April 5, 2026: LEMON Manuals is launched! Read the announcement.

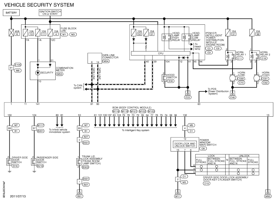
Wiring Diagram - VEHICLE SECURITY SYSTEM -

WARNING: This page is about a different variant/trim than selected.

For connector terminal arrangements, harness layouts, and alphabets (option abbreviation; if not described in wiring diagram), refer to "CONNECTOR INFORMATION ".

Fig 1: Vehicle Security System - Wiring Diagram
G08234909Courtesy of NISSAN NORTH AMERICA, INC.