LEMON Manuals: Even more car manuals for everyone: 1960-2025
Home >> Infiniti >> 2012 >> G37 Base, 2D Convertible >> Repair and Diagnosis >> External Pages >> Different variant/trim >> Section 60 (Power Control System (Power Distribution System) (Coupe)) >> DTC/Circuit Diagnosis >> Power Distribution System >> Wiring Diagram - PDS (POWER DISTRIBUTION SYSTEM) -
April 5, 2026: LEMON Manuals is launched! Read the announcement.

Wiring Diagram - PDS (POWER DISTRIBUTION SYSTEM) -

WARNING: This page is about a different variant/trim than selected.

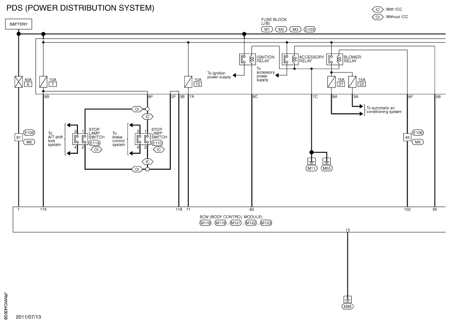
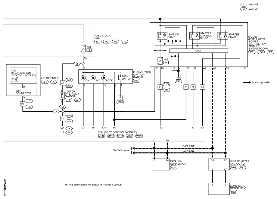
For connector terminal arrangements, harness layouts, and alphabets (option abbreviation; if not described in wiring diagram), refer to "CONNECTOR INFORMATION ".

Fig 1: Power Distribution System - Wiring Diagram (1 Of 2)
G08239065Courtesy of NISSAN NORTH AMERICA, INC.
Fig 2: Power Distribution System - Wiring Diagram (2 Of 2)
G08239066Courtesy of NISSAN NORTH AMERICA, INC.