LEMON Manuals: Even more car manuals for everyone: 1960-2025
Home >> Infiniti >> 2012 >> G37 Base, 2D Coupe >> Repair and Diagnosis (Single Page) >> Accessories & Equipment >> Infotainment >> Audio, Visual & Navigation System - Base Audio Without Rear View Camera (Coupe) >> System Description >> Diagnosis System (Av Control Unit) >> CONSULT Function (MULTI AV) >> Self Diagnosis Result >> Self-diagnosis Detection Range
April 5, 2026: LEMON Manuals is launched! Read the announcement.

Self-diagnosis Detection Range

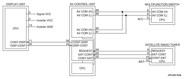
Fig 1: Communication Diagram (Self-Diagnosis Detection Range)
G05738089Courtesy of NISSAN NORTH AMERICA, INC.