LEMON Manuals: Even more car manuals for everyone: 1960-2025
Home >> Infiniti >> 2012 >> M37 Base >> Repair and Diagnosis >> External Pages >> Different car >> Section 30 (Starting System) >> System Description >> Starting System >> M/T With Clutch Interlock Cancel System >> M/T WITH CLUTCH INTERLOCK CANCEL SYSTEM: System Diagram
April 5, 2026: LEMON Manuals is launched! Read the announcement.

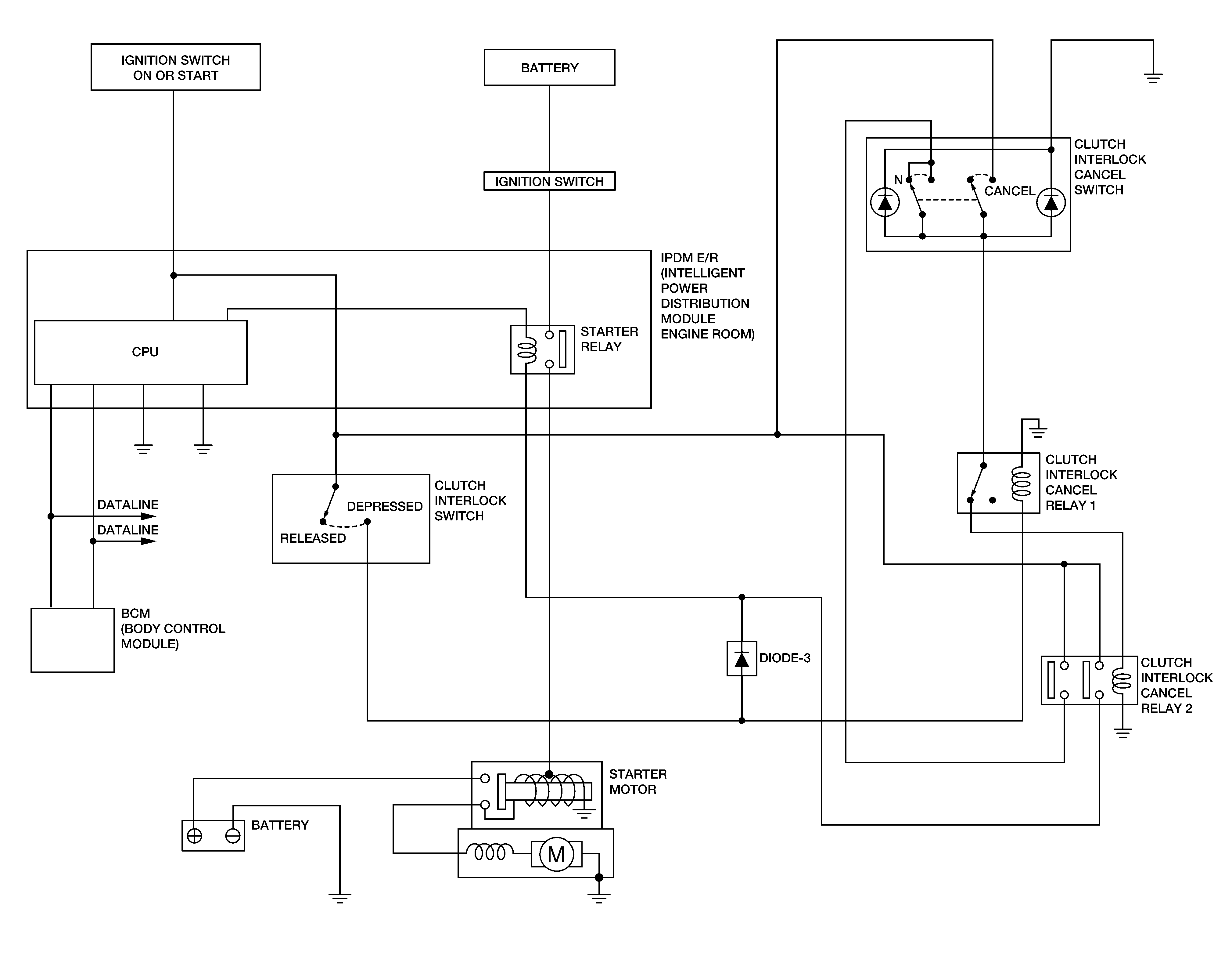
M/T WITH CLUTCH INTERLOCK CANCEL SYSTEM: System Diagram

WARNING: This page is about a different car, the 2013 Nissan Xterra. However, it is still accessible from the selected car via links, so may be relevant.
Fig 1: M/T With Clutch Interlock Cancel System Diagram
G05700999Courtesy of NISSAN NORTH AMERICA, INC.