LEMON Manuals: Even more car manuals for everyone: 1960-2025
Home >> Infiniti >> 2012 >> QX56 RWD >> Repair and Diagnosis >> Transmission >> Automatic Transaxle >> Unit Disassembly And Assembly >> Transmission Assembly >> Exploded View >> 2WD Models
April 5, 2026: LEMON Manuals is launched! Read the announcement.

2WD Models

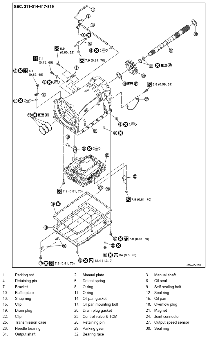
Fig 1: Exploded View Of Transmission Assembly With Torque Specifications (2WD Models)
G08254677Courtesy of NISSAN NORTH AMERICA, INC.

Refer to "COMPONENTS " for symbols not described on the above.

Fig 2: Disassembled View Of Transmission Assembly (1 Of 2)
G08254678Courtesy of NISSAN NORTH AMERICA, INC.

Refer to "COMPONENTS " for symbols not described on the above.

Fig 3: Disassembled View Of Transmission Assembly (2 Of 2)
G08254679Courtesy of NISSAN NORTH AMERICA, INC.

Refer to "COMPONENTS " for symbols in the figure.

Fig 4: Exploded View Of Transmission Assembly With Torque Specifications (1 Of 2)
G08254680Courtesy of NISSAN NORTH AMERICA, INC.

Refer to "COMPONENTS " for symbols in the figure.

Fig 5: Exploded View Of Transmission Assembly With Torque Specifications (2 Of 2)
G08254681Courtesy of NISSAN NORTH AMERICA, INC.

Refer to "COMPONENTS " for symbols in the figure.