LEMON Manuals: Even more car manuals for everyone: 1960-2025
Home >> Infiniti >> 2014 >> Q60 Base, 2D Convertible, Automatic Trans >> Repair and Diagnosis >> Accessories & Equipment >> Anti-Theft Systems >> Security Control System (Convertible) >> Ecu Diagnosis Information >> BCM (Body Control Module) >> Wiring Diagram - BCM -
April 5, 2026: LEMON Manuals is launched! Read the announcement.

Wiring Diagram - BCM -

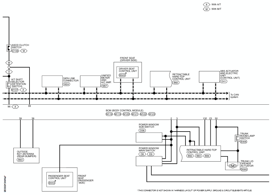
Fig 1: Body Control Module - Wiring Diagram (1 Of 4)
G08450521Courtesy of NISSAN NORTH AMERICA, INC.
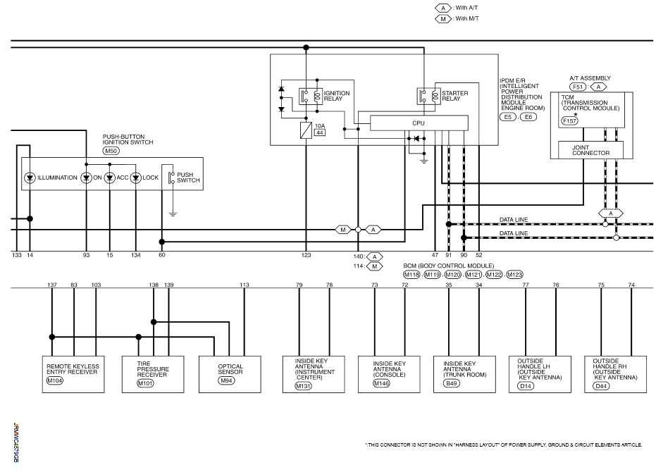
Fig 2: Body Control Module - Wiring Diagram (2 Of 4)
G08450522Courtesy of NISSAN NORTH AMERICA, INC.
Fig 3: Body Control Module - Wiring Diagram (3 Of 4)
G08450523Courtesy of NISSAN NORTH AMERICA, INC.
Fig 4: Body Control Module - Wiring Diagram (4 Of 4)
G08450524Courtesy of NISSAN NORTH AMERICA, INC.