LEMON Manuals: Even more car manuals for everyone: 1960-2025
Home >> Infiniti >> 2014 >> Q60 Journey >> Repair and Diagnosis >> Engine Performance >> System >> Engine Control System - Component Testing (Coupe) >> Ecu Diagnosis Information >> VVEL Control Module >> Wiring Diagram - ENGINE CONTROL SYSTEM -
April 5, 2026: LEMON Manuals is launched! Read the announcement.

Wiring Diagram - ENGINE CONTROL SYSTEM -

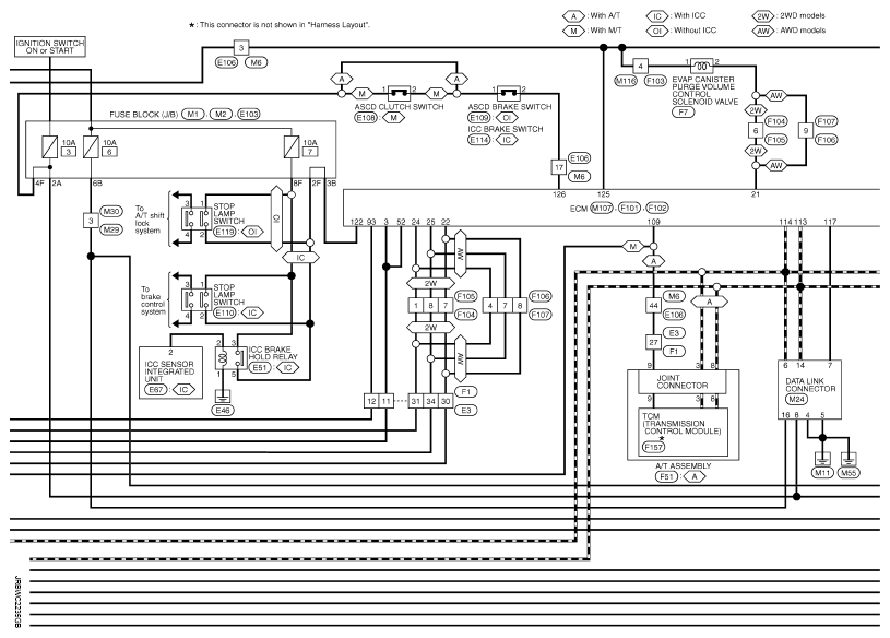
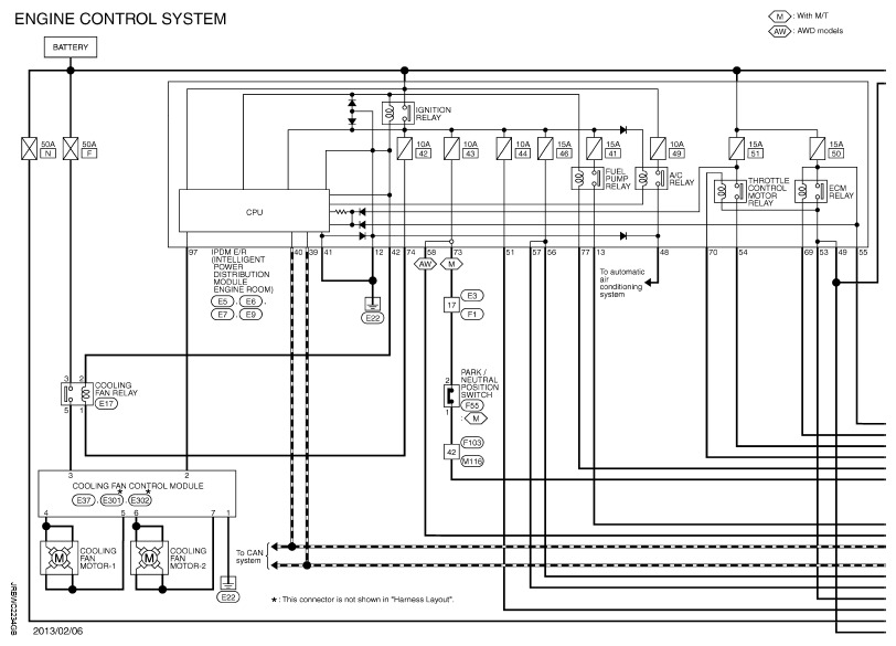
Fig 1: Engine Control System - Wiring Diagram (1 Of 6)
G09471126Courtesy of NISSAN NORTH AMERICA, INC.
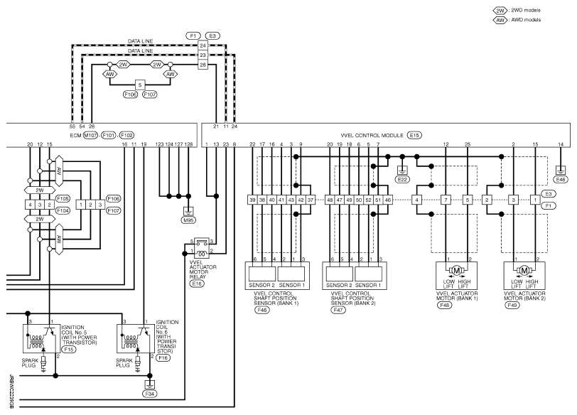
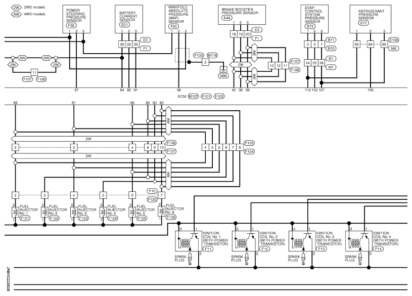
Fig 2: Engine Control System - Wiring Diagram (2 Of 6)
G09471127Courtesy of NISSAN NORTH AMERICA, INC.
Fig 3: Engine Control System - Wiring Diagram (3 Of 6)
G09471128Courtesy of NISSAN NORTH AMERICA, INC.
Fig 4: Engine Control System - Wiring Diagram (4 Of 6)
G09471129Courtesy of NISSAN NORTH AMERICA, INC.
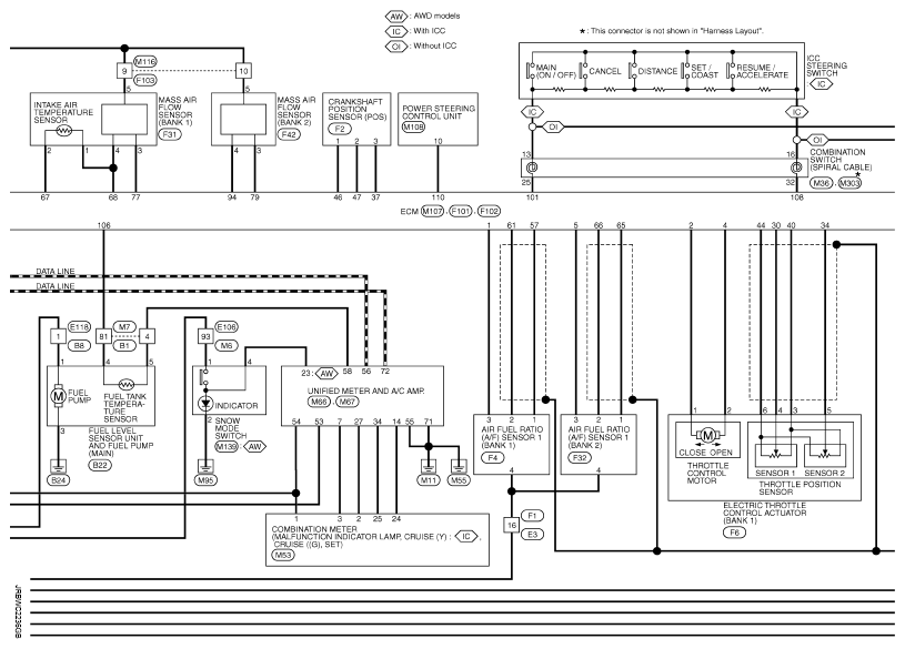
Fig 5: Engine Control System - Wiring Diagram (5 Of 6)
G09471130Courtesy of NISSAN NORTH AMERICA, INC.
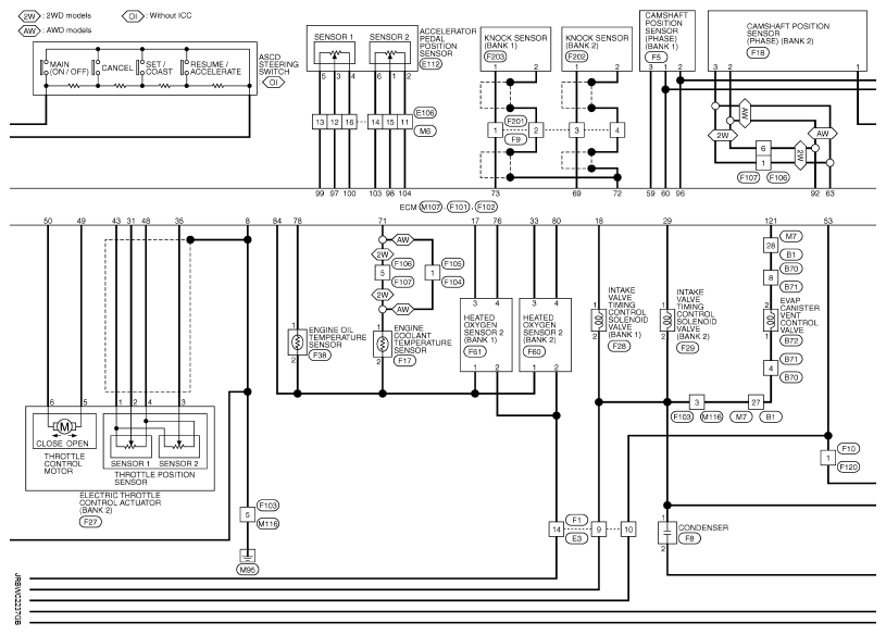
Fig 6: Engine Control System - Wiring Diagram (6 Of 6)
G09471131Courtesy of NISSAN NORTH AMERICA, INC.
Fig 7: Engine Control System Connector End Views (1 Of 16)
G09471132Courtesy of NISSAN NORTH AMERICA, INC.
Fig 8: Engine Control System Connector End Views (2 Of 16)
G09471133Courtesy of NISSAN NORTH AMERICA, INC.
Fig 9: Engine Control System Connector End Views (3 Of 16)
G09471134Courtesy of NISSAN NORTH AMERICA, INC.
Fig 10: Engine Control System Connector End Views (4 Of 16)
G09471135Courtesy of NISSAN NORTH AMERICA, INC.
Fig 11: Engine Control System Connector End Views (5 Of 16)
G09471136Courtesy of NISSAN NORTH AMERICA, INC.
Fig 12: Engine Control System Connector End Views (6 Of 16)
G09471137Courtesy of NISSAN NORTH AMERICA, INC.
Fig 13: Engine Control System Connector End Views (7 Of 16)
G09471138Courtesy of NISSAN NORTH AMERICA, INC.
Fig 14: Engine Control System Connector End Views (8 Of 16)
G09471139Courtesy of NISSAN NORTH AMERICA, INC.
Fig 15: Engine Control System Connector End Views (9 Of 16)
G09471140Courtesy of NISSAN NORTH AMERICA, INC.
Fig 16: Engine Control System Connector End Views (10 Of 16)
G09471141Courtesy of NISSAN NORTH AMERICA, INC.
Fig 17: Engine Control System Connector End Views (11 Of 16)
G09471142Courtesy of NISSAN NORTH AMERICA, INC.
Fig 18: Engine Control System Connector End Views (12 Of 16)
G09471143Courtesy of NISSAN NORTH AMERICA, INC.
Fig 19: Engine Control System Connector End Views (13 Of 16)
G09471144Courtesy of NISSAN NORTH AMERICA, INC.
Fig 20: Engine Control System Connector End Views (14 Of 16)
G09471145Courtesy of NISSAN NORTH AMERICA, INC.
Fig 21: Engine Control System Connector End Views (15 Of 16)
G09471146Courtesy of NISSAN NORTH AMERICA, INC.
Fig 22: Engine Control System Connectors (16 Of 16)
G09471147Courtesy of NISSAN NORTH AMERICA, INC.