LEMON Manuals: Even more car manuals for everyone: 1960-2025
Home >> Infiniti >> 2019 >> QX80 Limited >> Repair and Diagnosis >> External Pages >> Different car >> Section 46 (Intelligent Around View Monitor System) >> Intelligent Around View Monitor System >> Basic Inspection >> Calibrating Camera Image (Intelligent Around View Monitor System) >> Special Repair Requirement
April 5, 2026: LEMON Manuals is launched! Read the announcement.

Special Repair Requirement

WARNING: This page is about a different car, the 2019 Nissan Armada and 2018 Nissan Armada. However, it is still accessible from the selected car via links, so may be relevant.
CAUTION: When around view monitor control unit is replaced, perform the control unit setting before performing this calibration. Refer to Special Repair Requirement .
  1. CHECK INTELLIGENT AROUND VIEW MONITOR SCREEN 

    Check whether or not un-match display " SYMBOL " is on screen.

    GNSJSNIA5156Z-156Courtesy of NISSAN NORTH AMERICA, INC.

    Is un-match display on screen?

    YES

    GO TO 2.

    NO

    GO TO 4.

  2. CHECK WHETHER OR NOT AROUND VIEW MONITOR CONTROL UNIT IS REPLACED 

    Check whether or not around view monitor control unit is replaced.

    Is around view monitor control unit replaced?

    YES

    GO TO 3.

    NO

    GO TO 5.

  3. RELEASE UN-MATCH DISPLAY (PERFORM ONLY WHEN AROUND VIEW MONITOR CONTROL UNIT IS REPLACED) 

    SYMBOL CONSULT work support

    1. Select "CALIBRATING CAMERA IMAGE".
      NOTE: In random order, perform the operation for all cameras for which un-match display SYMBOL appears.
      • Front camera: "CALIBRATING CAMERA IMAGE (FRONT CAMERA)"
      • Passenger side camera: "CALIBRATING CAMERA IMAGE (PASS-SIDE CAMERA)"
      • Driver side camera: "CALIBRATING CAMERA IMAGE (DR-SIDE CAMERA)"
      • Rear camera: "CALIBRATING CAMERA IMAGE (REAR CAMERA)"
    2. On each camera calibration screen, press "APPLY" button, and then press "OK" button.
      CAUTION:
      • Never perform any operation other than selecting "APPLY" button.
      • Never perform "INITIALIZE CAMERA IMAGE CALIBRATION".
    3. Display the intelligent around view monitor screen. Check that images are displayed normally without any difference between images for each camera.

    Is there a malfunction such as a difference between camera images?

    YES

    Calibration end

    NO

    GO TO 1.

  4. PERFORM SIMPLIFIED CONFIRMATION/ADJUSTMENT BY "FINE TUNING OF BIRDS-EYE VIEW" 
    1. Put target line 1 beside each axle using packing tape, etc.
    2. Put target line 2 at a position approximately 30 cm (11.81 in) away from each side of the vehicle (the left and right). Check that the target line is a length equivalent to the vehicle length, plus an additional approximate length of 1.0 m (39.37 in) (in parallel with the vehicle as much as possible).
      Fig 1: Preparation of simplified target line
      GNSJSNIA0927Z-927Courtesy of NISSAN NORTH AMERICA, INC.

      1.

      Target lines 1

      2.

      Target lines 2

      A.

      Approx. 30 cm (11.81 in)

      B.

      Approx. 1.0 m (39.37 in)

    3. SYMBOL CONSULT work support

      Select "FINE TUNING OF BIRDS-EYE VIEW".

    4. Select the left and right cameras on CONSULT screen. Perform the following calibration.
      • Check that target line 1 and marker are aligned normally on screen. If difference is detected, align marker using "+" and "-" of "AXIS X" and "AXIS Y" on CONSULT screen.
      • Check that target line 2 is aligned normally on screen without difference between images of each camera. If difference is detected, align images so that line 2 is displayed in a straight line using "+" and "-" of "AXIS X", "AXIS Y", and "ROTATE" on CONSULT screen.
        NOTE: Press "SELECT" button on CONSULT screen and select camera position for adjustment.
        CAUTION:
        • Never adjust the front camera and rear camera. Only adjust the side cameras LH/RH.
        • Perform adjustment operation slowly because approximately 1 second is required for changing image on screen.
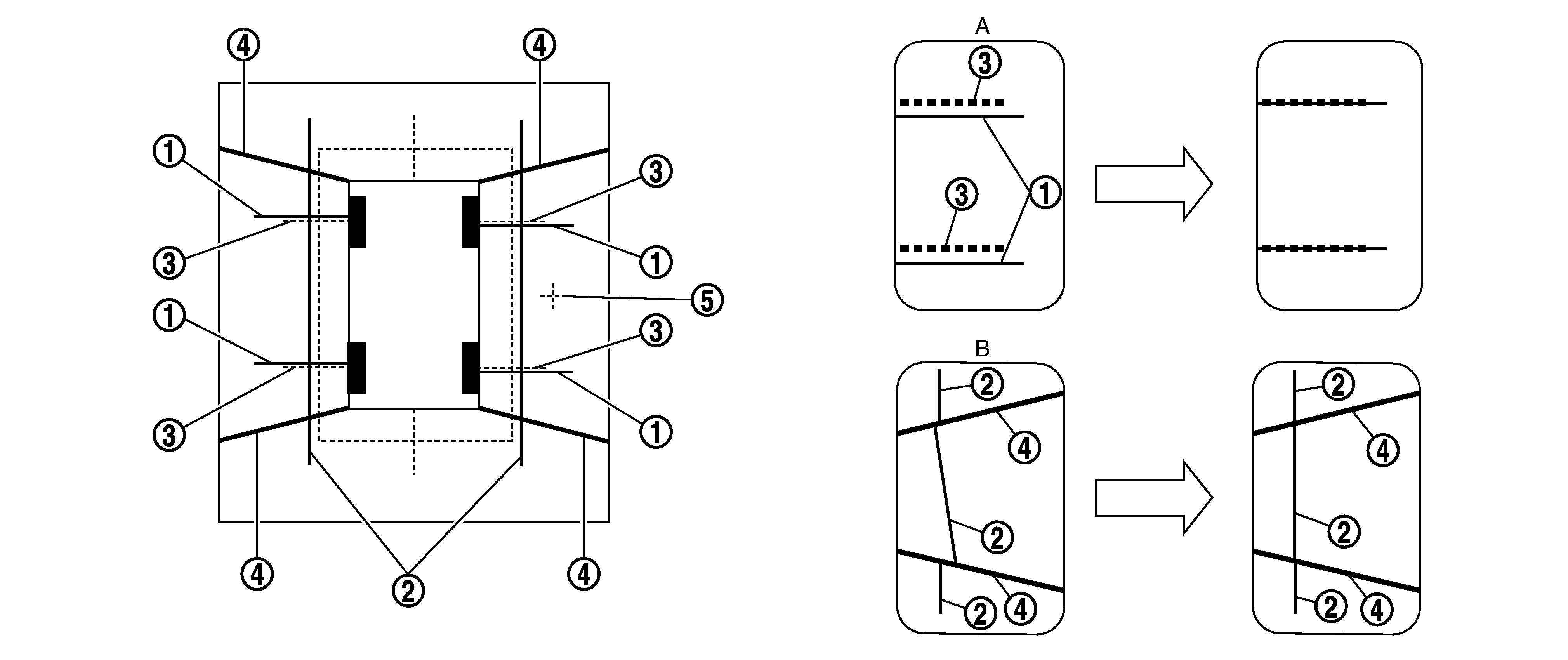
          Fig 2: Simplified target line adjustment method
          GNSJSNIA0929Z-929Courtesy of NISSAN NORTH AMERICA, INC.

          1.

          Target lines 1

          2.

          Target lines 2

          3.

          Marker for target line 1

          4.

          Boundary between cameras

          5.

          Crosshair cursor (mark indicated the selected camera)

          A.

          Adjustment method for target lines 1 (right)

          B.

          Adjustment method for target lines 2 (right)

    5. Adjust the left and right cameras. Check that difference of images on screen between target line 1 and marker, and between target lines 2 are solved. Press "APPLY".
      NOTE:
      • The setting can be initialized to factory default condition using "CALIBRATING CAMERA IMAGE" of work support.
      • The adjustment value on this mode is cancelled when "INITIALIZE CAMERA IMAGE CALIBRATION" is performed.

    Is the difference corrected?

    YES

    • Select "OK" to end calibration.
      CAUTION: After selecting "OK", never perform any operation other than "BACK" on CONSULT.

    NO

    GO TO 5.

  5. PERFORM "CALIBRATING CAMERA IMAGE" 

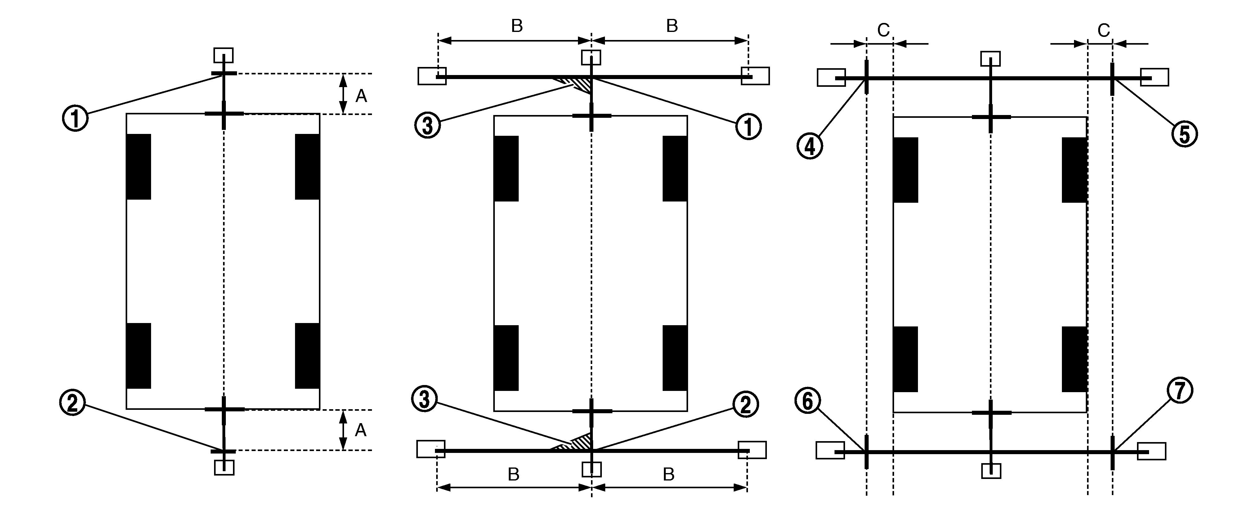
    Preparation of target line

    1. Hang a string with a weight as shown in the figure. Put the points FM0, RM0 (mark) on the ground at the center of the vehicle front end and rear end using white packing tape or a pen.
    2. Route the vinyl string under the vehicle, and then pull and fix the vinyl string at a point approximately 1.0 m (39.37 in) at the front and rear of the vehicle through points FM0 and RM0 using packing tape.
      Fig 3: Target line preparation procedure 1
      GNSJSNIA3129Z-129Courtesy of NISSAN NORTH AMERICA, INC.

      1.

      Thread

      2.

      Weight

      3.

      Point FM0 (mark)

      4.

      Point RM0 (mark)

      5.

      Packing tape (to fix the vinyl string)

      6.

      Vinyl string

    3. Put points FM and RM (mark) 75 cm (29.53 in) from the points FM0 and RM0 individually.
    4. Route the vinyl string through points FM and RM using a triangle scale, and then fix it at approximately 1.5 m (59.06 in) on both sides with packing tape.
    5. Put points FL, FR, RL, and RR (mark) at distance of a half the vehicle width, plus 30 cm (11.81 in) to the left and right from points FM and RM.
      Fig 4: Target line preparation procedure 2
      GNSJSNIA0921Z-921Courtesy of NISSAN NORTH AMERICA, INC.

      1.

      Point FM

      2.

      Point RM

      3.

      Triangle scale

      4.

      Point FL (mark)

      5.

      Point FR (mark)

      6.

      Point RL (mark)

      7.

      Point RR (mark)

      A.

      75 cm (29.53 in)

      B.

      Approximately 1.5 m (59.06 in)

      C:

      30 cm (11.81 in)

      [A half of the vehicle width plus 30 cm (11.81 in) from the points FM and RM]

    6. Draw the lines of the points FL - RL and FR - RR with the vinyl string, and fix it with packing tape.
    7. Put a mark on the center of each axle, draw vertical lines to the lines of points FL - RL and FR - RR from the marks on the center of the axle using a triangle scale, and then fix the lines using packing tape.
      Fig 5: Target line preparation procedure 3
      GNSJSNIA0922Z-922Courtesy of NISSAN NORTH AMERICA, INC.

      1.

      Point FL

      2.

      Point FR

      3.

      Point RL

      4.

      Point RR

      5.

      Center position of axle

      6.

      Triangle scale

    Perform "CALIBRATING CAMERA IMAGE"

    SYMBOL CONSULT work support

    1. Select "CALIBRATING CAMERA IMAGE".
      NOTE: In random order, perform the operation for all cameras.
      • Front camera: "CALIBRATING CAMERA IMAGE (FRONT CAMERA)"
      • Passenger side camera: "CALIBRATING CAMERA IMAGE (PASS-SIDE CAMERA)"
      • Driver side camera: "CALIBRATING CAMERA IMAGE (DR-SIDE CAMERA)"
      • Rear camera: "CALIBRATING CAMERA IMAGE (REAR CAMERA)"
    2. On each calibration screen of "REAR CAMERA", "FRONT CAMERA", "DR-SIDE CAMERA", and "PASS-SIDE CAMERA", operate "+" and "-" of "AXIS X", "AXIS Y", and "ROTATE", so that images on screen of target line and calibration maker are aligned.
    3. Press "APPLY" button on CONSULT screen. "Writing..." is displayed, and then the adjustment result is displayed on the display.
      CAUTION: Check that "Writing..." is displayed. Never perform other operations while "Writing..." is displayed.
    4. Press "APPLY" button on CONSULT screen. "Writing..." is displayed, and then the adjustment result is written to around view monitor control unit.
      CAUTION: Check that "Writing..." is displayed. Never perform other operations while "Writing..." is displayed.

    GO TO 6.

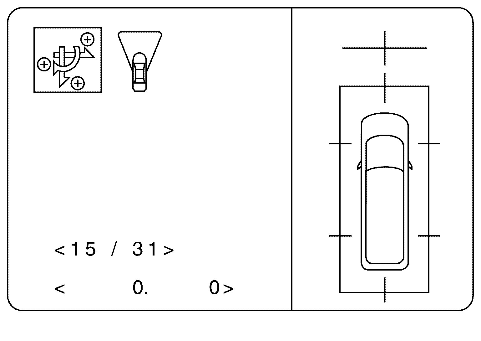
  6. PERFORM "FINE TUNING OF BIRDS-EYE VIEW" 

    This mode is designed to align the boundary between each camera image that cannot be aligned in the "CALIBRATING CAMERA IMAGE" mode.

    SYMBOL CONSULT work support

    1. Select "FINE TUNING OF BIRDS-EYE VIEW".
    2. Operate "+" and "-" of "AXIS X", "AXIS Y", and "ROTATE", so that images on screen of target line on the ground and marker are aligned between each camera.
      GNSJSNIA5157Z-157Courtesy of NISSAN NORTH AMERICA, INC.
      CAUTION: Perform adjustment operation slowly because approximately 1 second is required for changing image on screen.
      NOTE: Press "SELECT" button on CONSULT screen and select camera position for adjustment.
    3. Press "APPLY" button on CONSULT screen. "Writing..." is displayed, and then the adjustment result is displayed on the display.
      CAUTION: Check that "Writing..." is displayed. Never perform other operations while "Writing..." is displayed.
    4. Press "APPLY" button on CONSULT screen. "Writing..." is displayed, and then the adjustment result is written to around view monitor control unit.
      CAUTION:
      • Check that "Writing..." is displayed. Never perform other operations while "Writing..." is displayed.
      • After selecting "OK", never perform any operation other than "BACK" on CONSULT.
    NOTE:
    • The setting can be initialized to the factory default setting using "CALIBRATING CAMERA IMAGE" of work support.
    • The adjustment value on this mode is cancelled when "INITIALIZE CAMERA IMAGE CALIBRATION" is performed.

    Calibration end