LEMON Manuals: Even more car manuals for everyone: 1960-2025
Home >> Infiniti >> 2020 >> Q50 Pure, AWD >> Repair and Diagnosis >> Engine Performance >> Engine Control Systems >> Engine Control System (Diagnostics) (2 Of 6) >> Description >> System >> Engine Control System >> Circuit Diagram >> Turbo low pressure models
April 5, 2026: LEMON Manuals is launched! Read the announcement.

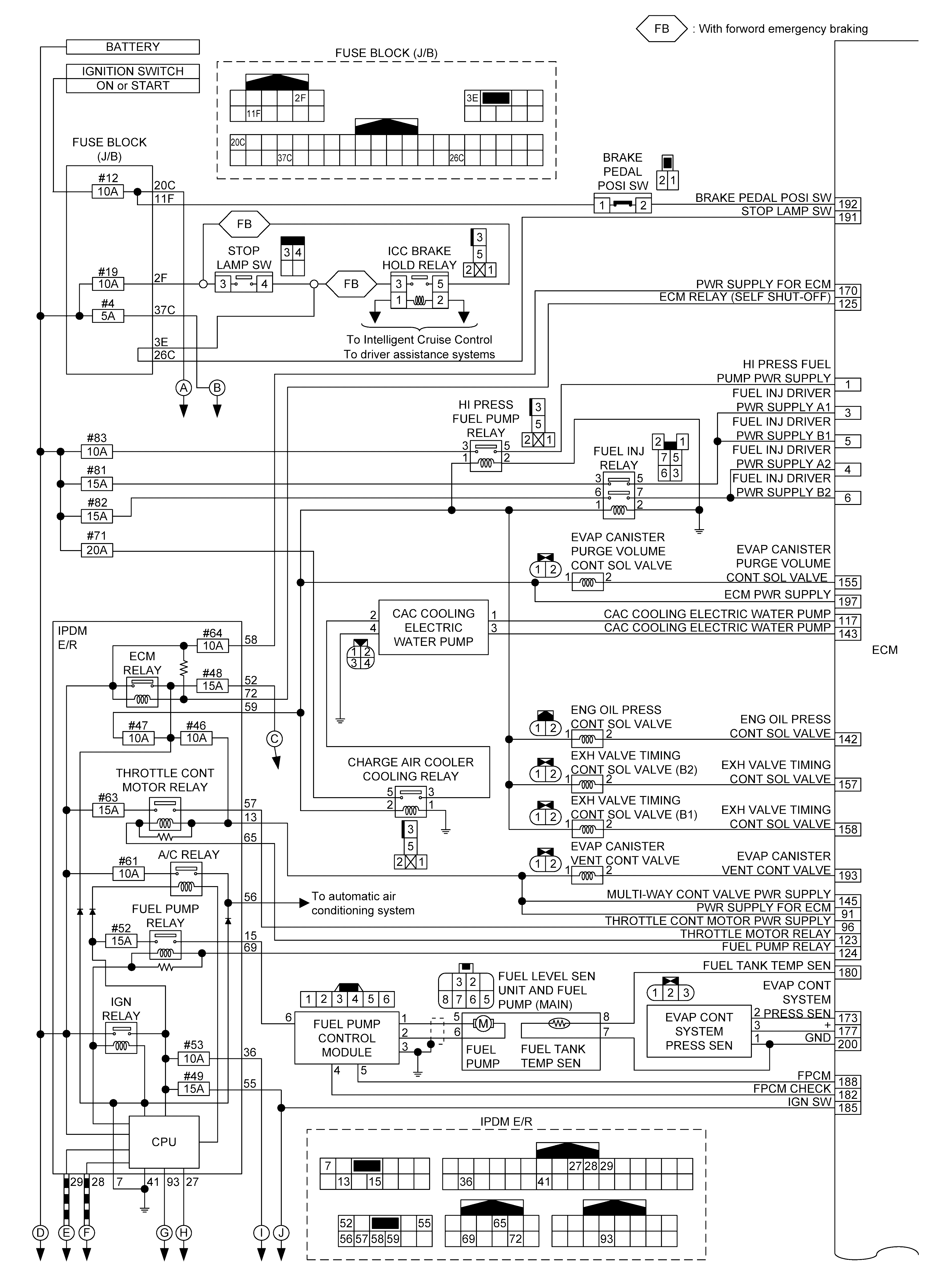
Turbo low pressure models

GNSILL0273395-395Courtesy of NISSAN NORTH AMERICA, INC.
GNSJSBIB0467GB-467Courtesy of NISSAN NORTH AMERICA, INC.
GNSJSBIB1397GB-397Courtesy of NISSAN NORTH AMERICA, INC.
GNSILL0129443-443Courtesy of NISSAN NORTH AMERICA, INC.

*: Exhaust gas temperature sensor is not applicable.