LEMON Manuals: Even more car manuals for everyone: 1960-2025
Home >> Infiniti >> 2020 >> QX60 Luxe, AWD >> Repair and Diagnosis >> Engine Performance >> System >> Engine Control System (3 Of 3) >> Removal And Installation >> ECM >> Exploded View
April 5, 2026: LEMON Manuals is launched! Read the announcement.

Exploded View

GNSALBIA3263Z-263Courtesy of NISSAN NORTH AMERICA, INC.

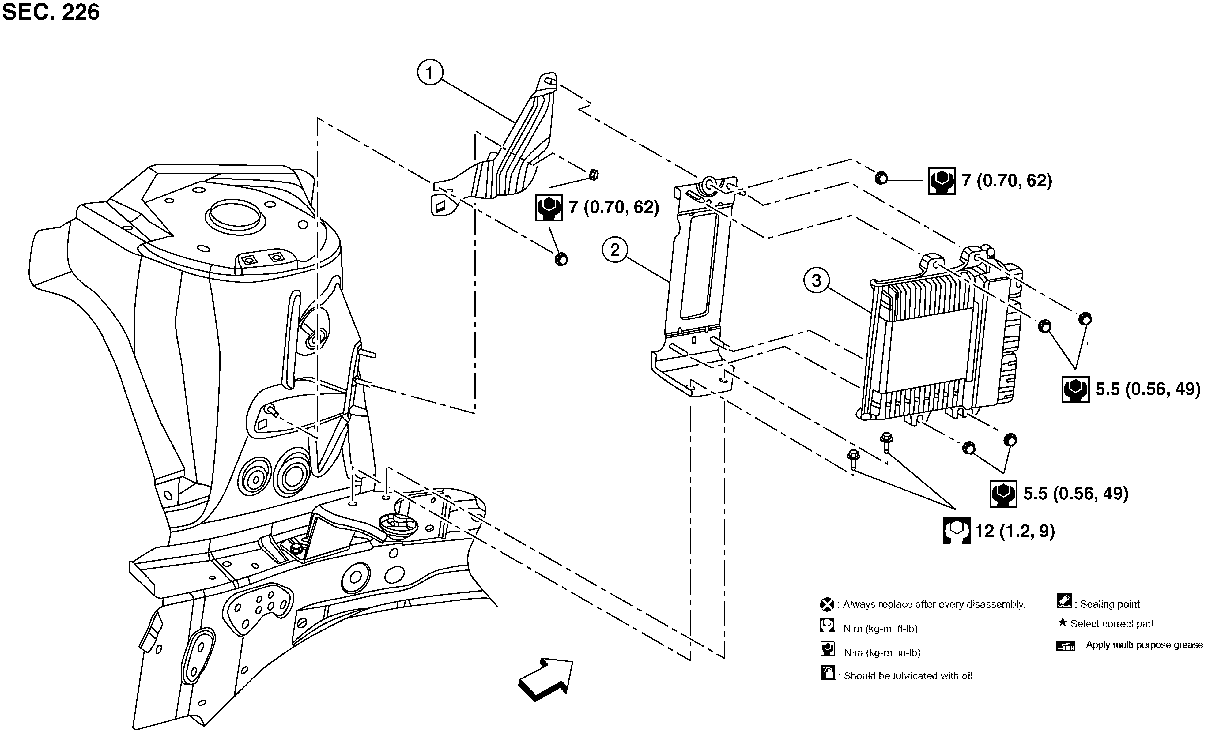
1.

ECM cover

2.

ECM bracket

3.

ECM

SYMBOL

Front



GNSALBIA0586Z-586Courtesy of NISSAN NORTH AMERICA, INC.

1.

ECM bracket

2.

ECM

3.

ECM cover

SYMBOL

Front