LEMON Manuals: Even more car manuals for everyone: 1960-2025
Home >> Infiniti >> 2021 >> Q50 Pure, AWD >> Repair and Diagnosis (Single Page) >> Accessories & Equipment >> Drivers Assistance Systems - ADAS >> Driver Assistance System (Diagnostics) (1 Of 2) >> Description >> System (ADAS Control Unit) >> Circuit Diagram >> With Predictive Forward Collision Warning >> Driver Assistance System (Diagnostics) (1 Of 2)
April 5, 2026: LEMON Manuals is launched! Read the announcement.

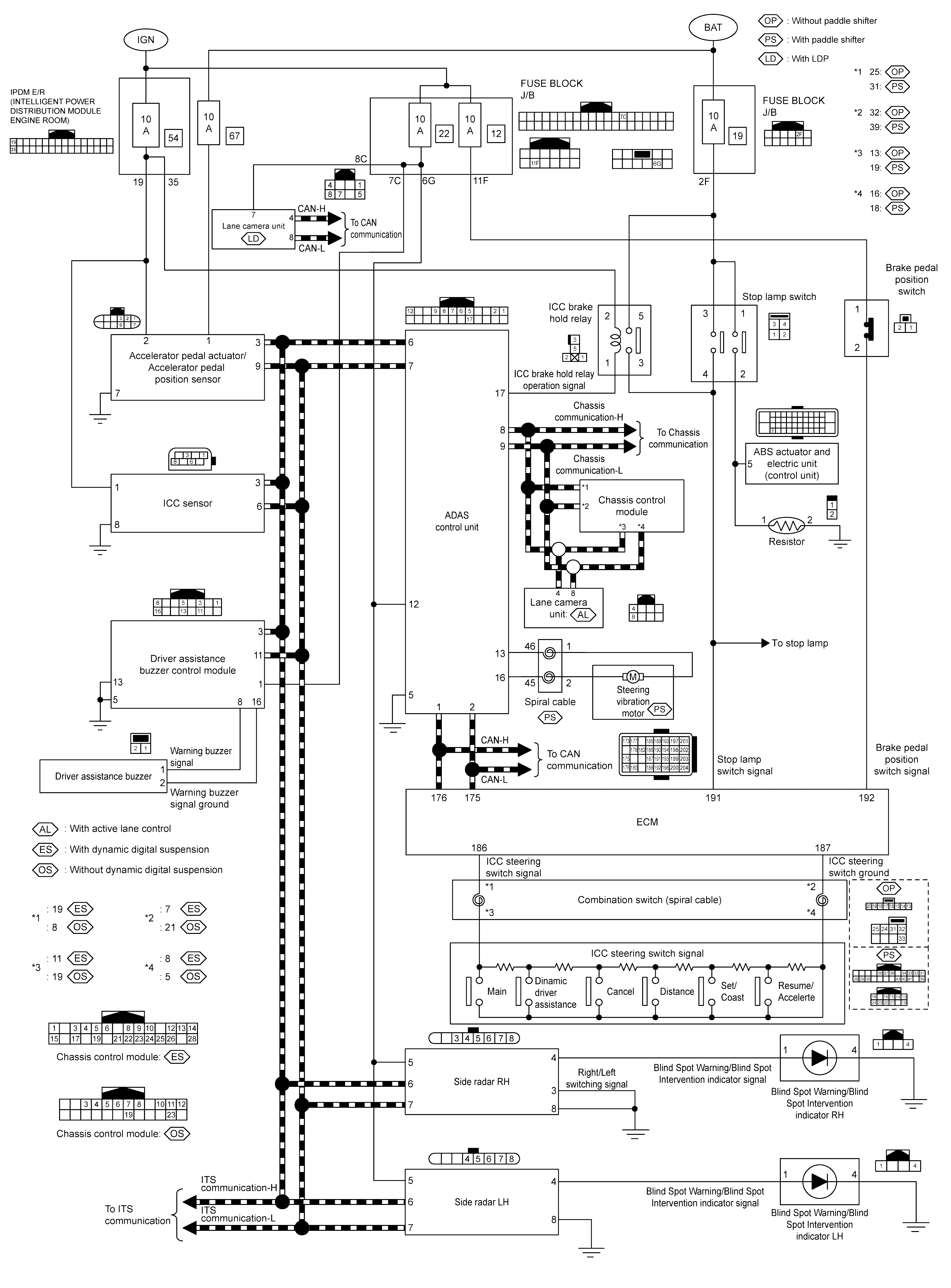
Driver Assistance System (Diagnostics) (1 Of 2)

GNSILL0317817Courtesy of NISSAN NORTH AMERICA, INC.