LEMON Manuals: Even more car manuals for everyone: 1960-2025
Home >> Infiniti >> 2021 >> Q50 Pure, AWD >> Repair and Diagnosis (Single Page) >> Body & Frame >> Door Locks >> Security Control System (Diagnostics) >> Description >> System >> INFINITI Vehicle Immobilizer System-NATS >> Circuit Diagram >> Security Control System (Diagnostics)
April 5, 2026: LEMON Manuals is launched! Read the announcement.

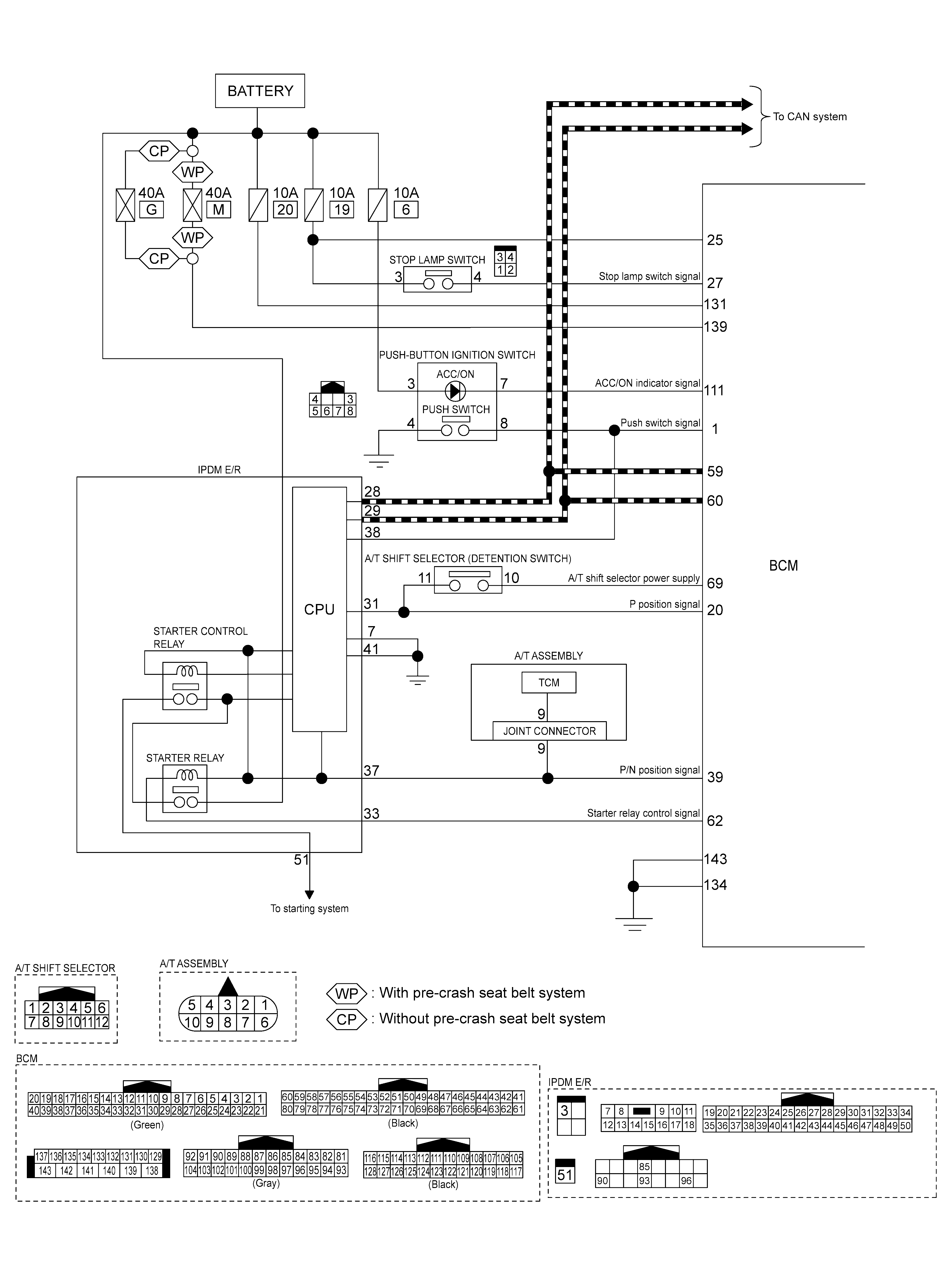
Security Control System (Diagnostics)

GNSILL0217837Courtesy of NISSAN NORTH AMERICA, INC.
GNSJMKIB7506GB-506Courtesy of NISSAN NORTH AMERICA, INC.