LEMON Manuals: Even more car manuals for everyone: 1960-2025
Home >> Infiniti >> 2021 >> Q50 Signature Edition, AWD >> Repair and Diagnosis >> Brakes >> Traction Control >> Brake Control System (Diagnostics) >> Description >> System (Brake Control) >> Brake Control System >> Circuit Diagram
April 5, 2026: LEMON Manuals is launched! Read the announcement.

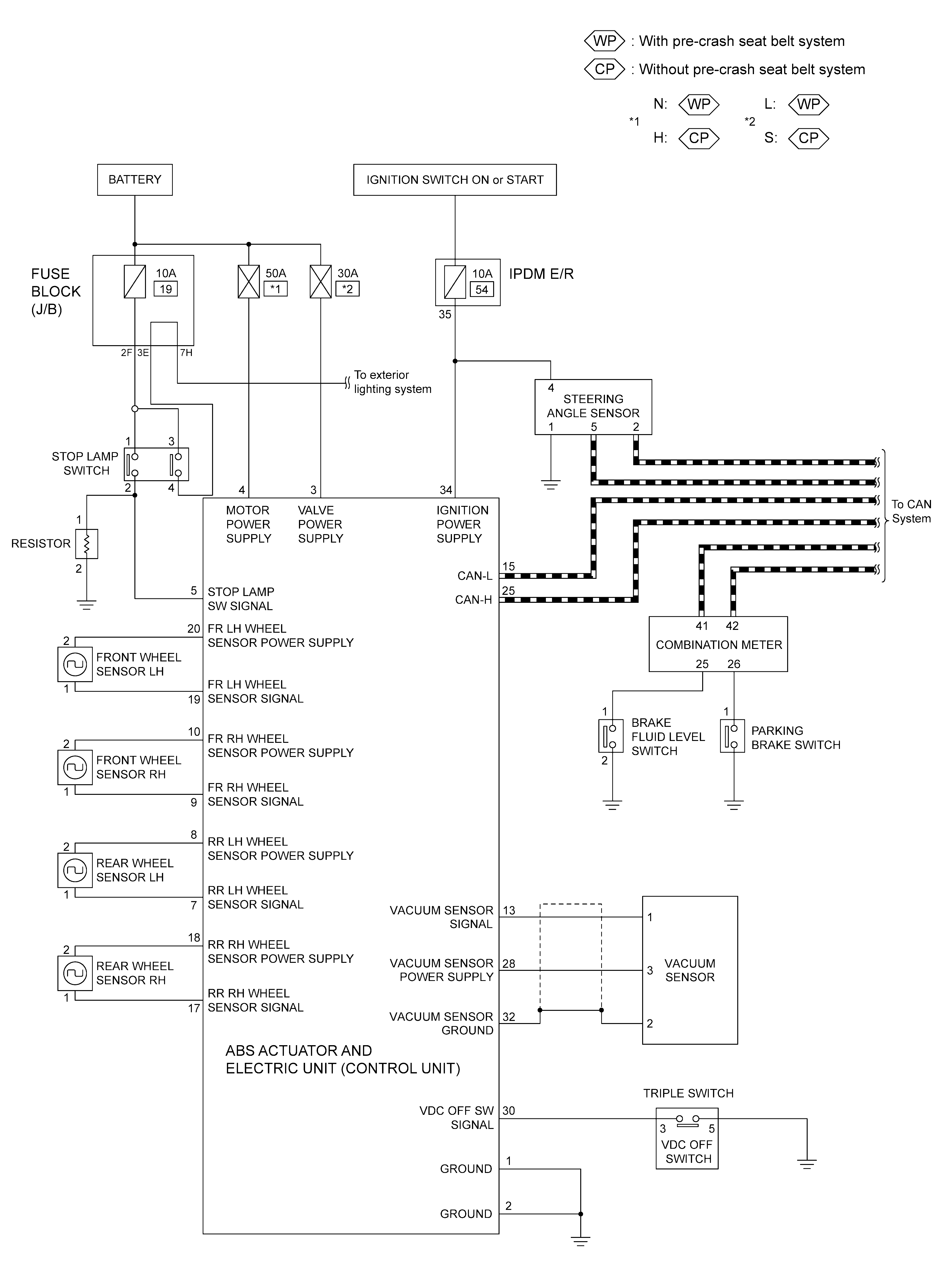
Circuit Diagram

GNSILL0310228Courtesy of NISSAN NORTH AMERICA, INC.
GNSILL0274797Courtesy of NISSAN NORTH AMERICA, INC.