LEMON Manuals: Even more car manuals for everyone: 1960-2025
Home >> Infiniti >> 2021 >> Q60 Pure, AWD >> Repair and Diagnosis >> Engine Performance >> Engine Control Systems >> Engine Control System (Diagnostics) (1 Of 4) >> Description >> Component Parts >> Engine Control System >> Component Location >> Except for Mexico
April 5, 2026: LEMON Manuals is launched! Read the announcement.

Except for Mexico

Engine Room Component 

GNSJSBIB0489Z-489Courtesy of NISSAN NORTH AMERICA, INC.

SYMBOL

Radiator lower side

No.

Component

Function

SYMBOL

Turbocharger boost sensor (bank 2)

Refer to Component Description .

SYMBOL

Electric throttle control actuator (bank 2)

Refer to Component Description .

SYMBOL

EVAP canister purge volume control solenoid valve

Refer to Component Description .

SYMBOL

Turbocharger boost sensor (bank 1)

Refer to Component Description .

SYMBOL

Electric throttle control actuator (bank 1)

Refer to Component Description .

SYMBOL

Manifold absolute pressure sensor

Refer to Component Description .

SYMBOL

ECM (with barometric pressure sensor)

Refer to Component Description .

SYMBOL

Mass air flow sensor (with intake air temperature sensor) (bank 1)

Refer to Component Description .

SYMBOL

Mass air flow sensor (bank 2)

Refer to Component Description .

SYMBOL

Engine coolant temperature sensor 2

Refer to Component Description .

Engine Assembly Component 

GNSJSBIA9937Z-937Courtesy of NISSAN NORTH AMERICA, INC.

SYMBOL

Top view of the engine

(view with intake manifold is removed)

SYMBOL

Rear view of the engine

SYMBOL

Side view of the engine

SYMBOL

Engine front

No.

Component

Function

SYMBOL

Fuel injector (No. 5 cylinder)

Refer to Component Description .

SYMBOL

Fuel injector (No. 3 cylinder)

SYMBOL

Fuel injector (No. 1 cylinder)

SYMBOL

Ignition coil (with power transistor) and spark plug (No. 5 cylinder)

Refer to Component Description .

SYMBOL

Ignition coil (with power transistor) and spark plug (No. 3 cylinder)

SYMBOL

Ignition coil (with power transistor) and spark plug (No. 1 cylinder)

SYMBOL

Electric intake valve timing control actuator (bank 1)

Refer to Component Description .

SYMBOL

Engine oil pressure control solenoid valve

Refer to Component Description .

SYMBOL

Exhaust valve timing control solenoid valve (bank 2)

Refer to Component Description .

SYMBOL

Engine coolant temperature sensor 1

Refer to Component Description .

SYMBOL

Electric intake valve timing control actuator (bank 2)

Refer to Component Description .

SYMBOL

Turbocharger speed sensor (bank 2)*

Refer to Component Description .

SYMBOL

High pressure fuel pump

Refer to Component Description .

SYMBOL

Ignition coil (with power transistor) and spark plug (No. 2 cylinder)

Refer to Component Description .

SYMBOL

Ignition coil (with power transistor) and spark plug (No. 4 cylinder)

SYMBOL

Ignition coil (with power transistor) and spark plug (No. 6 cylinder)

SYMBOL

Fuel injector (No. 2 cylinder)

Refer to Component Description .

SYMBOL

Fuel injector (No. 4 cylinder)

SYMBOL

Fuel injector (No. 6 cylinder)

SYMBOL

Knock sensor (bank 1)

Refer to Component Description .

SYMBOL

Knock sensor (bank 2)

SYMBOL

Intake camshaft position sensor (bank 2)

Refer to Component Description .

SYMBOL

Exhaust camshaft position sensor (bank 2)

Refer to Component Description .

SYMBOL

Fuel rail pressure sensor

Refer to Component Description .

SYMBOL

Crankshaft position sensor

Refer to Component Description .

SYMBOL

Exhaust camshaft position sensor (bank 1)

Refer to Component Description .

SYMBOL

Intake camshaft position sensor (bank 1)

Refer to Component Description .

SYMBOL

Turbocharger speed sensor (bank 1)*

Refer to Component Description .

SYMBOL

Engine oil pressure sensor

Refer to Component Description .

SYMBOL

Engine oil temperature sensor

Refer to Component Description .

SYMBOL

Exhaust valve timing control solenoid valve (bank 1)

Refer to Component Description .

*: For turbo high pressure model

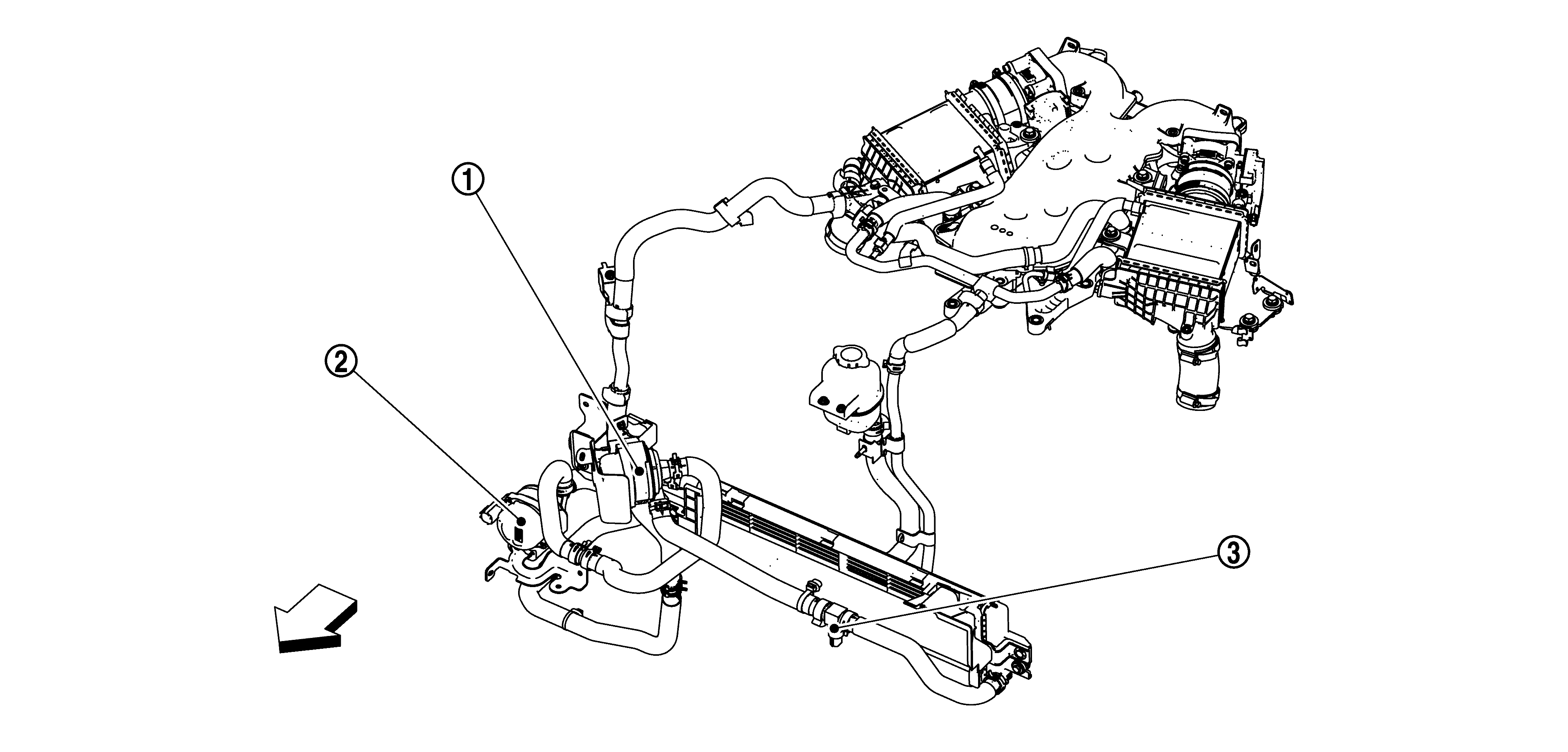
Charge Air Cooler Cooling System Component 

TURBO HIGH PRESSURE MODELS 

GNSJSBIB0692Z-692Courtesy of NISSAN NORTH AMERICA, INC.

SYMBOL

Vehicle front

No.

Component

Function

SYMBOL

Charge air cooler cooling electric water pump 2

Refer to Component Description .

SYMBOL

Charge air cooler cooling electric water pump 1

SYMBOL

Charge air cooler coolant temperature sensor

Refer to Component Description .

TURBO LOW PRESSURE MODELS 

GNSJSBIB0693Z-693Courtesy of NISSAN NORTH AMERICA, INC.

SYMBOL

Vehicle front

No.

Component

Function

SYMBOL

Charge air cooler cooling electric water pump

Refer to Component Description .

SYMBOL

Charge air cooler coolant temperature sensor

Refer to Component Description .

Exhaust System Component 

GNSILL0214618Courtesy of NISSAN NORTH AMERICA, INC.

No.

Component

Function

SYMBOL

Air fuel ratio (A/F) sensor 1 (bank 2)

Refer to Component Description .

SYMBOL

Heated oxygen sensor 2 (bank 2)

Refer to Component Description .

SYMBOL

Air fuel ratio (A/F) sensor 1 (bank 1)

Refer to Component Description .

SYMBOL

Heated oxygen sensor 2 (bank 1)

Refer to Component Description .

Vehicle Compartment 

GNSJSBIB0606Z-606Courtesy of NISSAN NORTH AMERICA, INC.

SYMBOL

Around the battery

SYMBOL

Around the radiator

SYMBOL

Fuse and fusible link block

SYMBOL

Right side of main muffler

SYMBOL

Rear seat (lower right)

No.

Component

Function

SYMBOL

Refrigerant pressure sensor

Refer to Component Description .

SYMBOL

Fuel pump control module

Refer to Component Description .

SYMBOL

Battery current sensor (with battery temperature sensor)

Refer to Component Description .

SYMBOL

IPDM E/R

IPDM E/R controls the internal relays and the actuators.

When CAN communication with ECM is impossible, IPDM E/R performs fail-safe control.

SYMBOL

Electric intake valve timing control module

Refer to Component Description .

SYMBOL

Cooling fan relay 2*

Refer to Component Description .

SYMBOL

Cooling fan control module 2*

Refer to Component Description .

SYMBOL

Cooling fan control module 1

Refer to Component Description .

SYMBOL

Cooling fan motor-1

Refer to Component Description .

SYMBOL

Cooling fan motor-2

Refer to Component Description .

SYMBOL

Cooling fan relay 1

Refer to Component Description .

SYMBOL

EVAP canister vent control valve

Refer to Component Description .

SYMBOL

EVAP control system pressure sensor

Refer to Component Description .

SYMBOL

EVAP canister

EVAP canister stores the generated fuel vapors in the sealed fuel tank to activated charcoals of EVAP canister when the engine is not operating or when refueling to the fuel tank.

SYMBOL

Fuel level sensor

Refer to Component Description .

SYMBOL

Low pressure fuel pump

Refer to Component Description .

SYMBOL

Fuel tank temperature sensor

Refer to Component Description .

*: For turbo high pressure model

Interior Compartment 

GNSJSBIB0245GB-245Courtesy of NISSAN NORTH AMERICA, INC.

SYMBOL

Brake pedal

SYMBOL

Accelerator pedal

SYMBOL

Grove box (back side)

No.

Component

Description

SYMBOL

Display control unit

Displays a drive mode status on the display screen.

For details of installation position, Refer to Component Location .

SYMBOL

ASCD steering switch

Refer to Component Description .

ICC steering switch

Refer to Component Description .

SYMBOL

Combination meter

Performs the ON/OFF control of the indicator lamp, warning lamp, and the information display, according to signals received from ECM via CAN communication.

SYMBOL

Chassis control module

Chassis control module send the drive mode select switch signal to the TCM via the CAN communication line.

For details of installation position, Refer to Component Location .

SYMBOL

Drive mode select switch

Refer to Component Description .

SYMBOL

A/C auto amp.

Controls the air-conditioning system (e.g. compressor, blower fan motor), according to a command from ECM.

AV control unit

Refer to Component Description .

SYMBOL

Stop lamp switch

Refer to Component Description .

SYMBOL

Brake pedal position switch

Refer to Component Description .

SYMBOL

Accelerator pedal position switch (with ECO pedal)

Refer to Component Description .

SYMBOL

Accelerator pedal position switch (without ECO pedal)

Refer to Component Description .

SYMBOL

Steering force control module (with direct adaptive steering)

For details of installation position, Refer to Component Location .