LEMON Manuals: Even more car manuals for everyone: 1960-2025
Home >> Infiniti >> 2021 >> QX50 Essential, 4WD >> Repair and Diagnosis (Single Page) >> Accessories & Equipment >> Drivers Assistance Systems - ADAS >> Audio, Visual & Navigation System (Diagnostics, Service Information) >> Removal And Installation >> MULTIFUNCTION Switch >> Exploded View
April 5, 2026: LEMON Manuals is launched! Read the announcement.

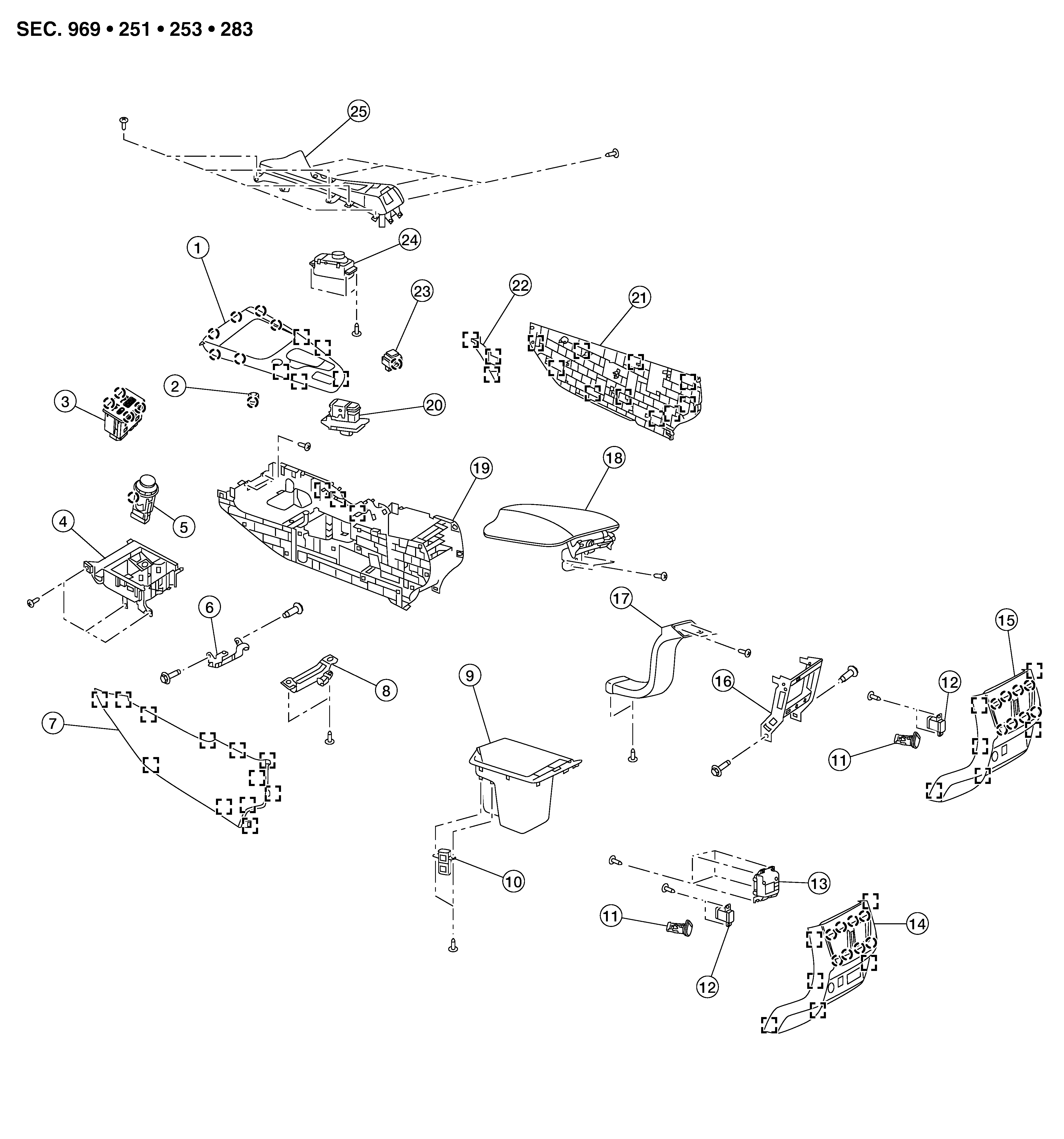
Exploded View

GNSAWNIA0390Z-390Courtesy of NISSAN NORTH AMERICA, INC.

1.

Shift selector finisher

2.

Push button ignition switch

3.

Front Auxiliary Input Jacks

4.

Center console cup holder

5.

Front power socket

6.

Center console brace

7.

Center console finisher (LH)

8.

Inside key antenna (center console)

9.

Center console bin

10.

Front USB charge port

11.

Console power socket

12.

Rear USB charge port

13.

Rear air control (with climate controlled seats)

14.

Center console rear finisher (with rear air control)

15.

Center console rear finisher (without rear air control)

16.

Center console rear brace

17.

Rear center ventilator duct

18.

Center console lid

19.

Center console

20.

Electric parking brake switch

21.

Center console finisher (RH)

22.

Center console finisher (upper RH)

23.

Drive mode switch

24.

Multifunction switch

25.

Center console finisher (upper)

SYMBOL

Metal clip

SYMBOL

Pawl