LEMON Manuals: Even more car manuals for everyone: 1960-2025
Home >> Infiniti >> 2021 >> QX50 Essential, 4WD >> Repair and Diagnosis >> Steering >> Steering Column >> Steering System >> Direct Adaptive Steering >> Unit Removal And Installation >> Exploded View
April 5, 2026: LEMON Manuals is launched! Read the announcement.

Exploded View

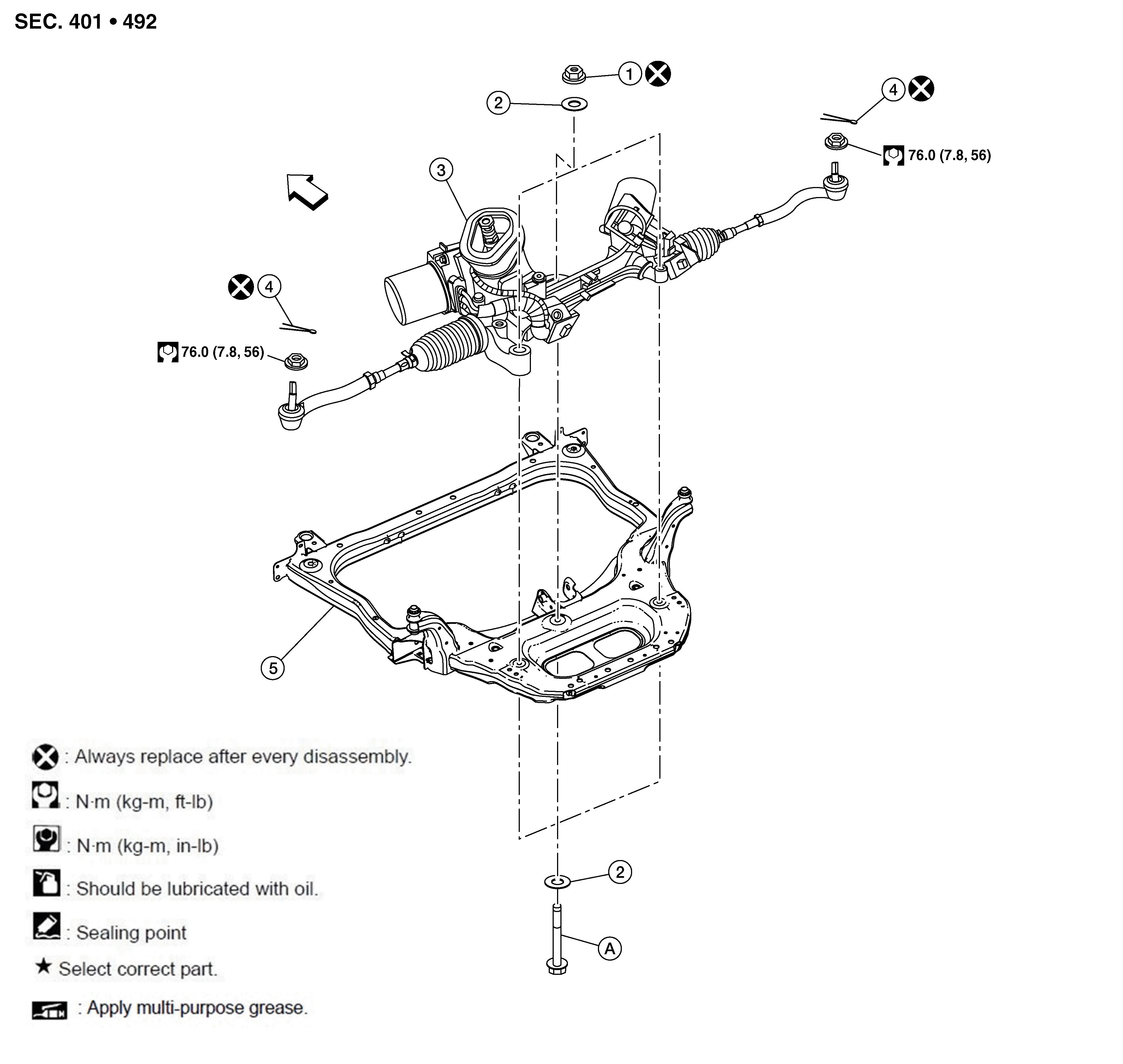
Fig 1: Steering Gear And Linkage Unit With Torque Specifications - Direct Adaptive Steering
GNSAWGIA0054Z-054Courtesy of NISSAN NORTH AMERICA, INC.

1.

Nut

2.

Washer

3.

Steering gear

4.

Cotter pin

5.

Front suspension member

A.

Refer to Removal and Installation .

SYMBOL

Front